Coche pequeño de condensador - nunca necesidad de baterías. (7 / 8 paso)

Paso 7: Motor

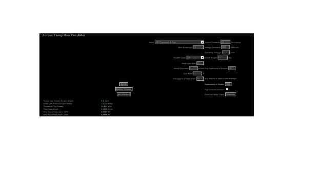
Este es nuestro motor. Es un viejo montador motor esto es inexistente en el mercado hoy y es difícil de encontrar. Tenemos un exceso de ellos, porque nuestro maestro compró muchos en el pasado. El motor es 1 pulgada en longitud y 1.5 de ancho con el eje apuntado hacia abajo. Nuestro kart fue diseñado específicamente para el motor sin piezas adicionales y clips de la casa perfectamente. Esto nos permitió cortar con mucho peso y la fricción. Utilizamos una calculadora de motor y tourqe para darnos una figura general de cómo funcionará el motor. El sitio se llama equipo Tentical (http://architeuthis-dux.org/torquecalc.asp).
La imagen es una captura de pantalla de toda nuestra información!

Artículos Relacionados

Construir un remolque detrás de una moto o coche pequeño Trailer

Construir un remolque detrás de una moto o coche pequeño Trailer

Este es mi primer ' ible para que por favor me avisan si todo funciona o quiere información olvidaron o no!CÓMO CONSTRUIR UN REMOLQUE DETRÁS DE UNA MOTO O COCHE PEQUEÑO REMOLQUEHemos construido este pequeño tirón detrás de hace 3 años por lo que no t
Coche pequeño - caja de la oficina

Coche pequeño - caja de la oficina

Este es mi proyecto más sofisticada que jamás se ha hecho.Necesitaba más de 100 horas de trabajo (para edificio + edición de video)El video está dividido en 4 partes, cada como corta como sea posible.Si sólo quiere ver el coche en acción, haga clic a
La magia en realidad - un coche pequeño controlado por electromiografía

La magia en realidad - un coche pequeño controlado por electromiografía

Una exploración en el EEG misteriosoEl electroencefalograma (EEG) es una prueba de los potenciales bio-eléctricos generados por las neuronas de la corteza cerebral en la actividad eléctrica del cerebro. Registra los cambios de la onda eléctrica en la
Instalar un dispositivo de remolque en un coche pequeño

Instalar un dispositivo de remolque en un coche pequeño

he instalado una clase remolque enganche en un sedán pequeño. Ordené el enganche en línea. Todas las piezas encajan perfectamente. La hoja de instrucciones suministrada fue excelente. No hay mods de cuerpo eran necesarios. El trabajo fue sorprendente
KVG Slim demolición coche "pequeño rayo"

KVG Slim demolición coche "pequeño rayo"

KVG realmente delgado un coche de demolición apodado "pequeño rayo"Paso 1: Obtener estas piezas 3 conectores blanco4 conectores amarillos y barras4 conectores rojo8 barras azul12 anillos azules4 conectores tan4 ruedas pequeñas14 varillas blancoP
Pequeña AVR microcontrolador funciona con una batería de fruta

Pequeña AVR microcontrolador funciona con una batería de fruta

algunas de las frutas y verduras que comemos pueden ser utilizado para hacer electricidad. Los electrólitos en muchas frutas y verduras, junto con electrodos de distintos metales pueden ser utilizados para hacer células primarias. Uno de los más fáci
Energía Solar de la batería 12V pequeña plataforma de carga para una caravana o autocaravana

Energía Solar de la batería 12V pequeña plataforma de carga para una caravana o autocaravana

Si estás leyendo esto, entonces por razones de lo que sólo puede ser curiosidad o estupidez, ha decidido que quiere tener un ir a la construcción de su propia plataforma solar DIY para complementar su caravana, autocaravana, furgoneta o instalación c
Procesamiento de controles R/C coche con módulos XBee

Procesamiento de controles R/C coche con módulos XBee

este instructable es una modificación de mi presentación a la comunidad de Chicago de procesamiento en el laboratorio de visualización electrónica (EVL), Universidad de Illinois en Chicago el 01 de octubre de 2012. En el tema de laSerie de la bibliot
Cableado de aire acondicionado de coche del mercado de accesorios

Cableado de aire acondicionado de coche del mercado de accesorios

Tengo una van de Ford de 20 años de edad con 175 millas de k. Me has propiedad por 10 años y la intención de mantenerlo como funciona.Pero el año pasado fue el aire acondicionado [agujero grande fugas de freón en alguna parte] y me negaba a fijar deb
Coche Pi3 frambuesa Dash Cam

Coche Pi3 frambuesa Dash Cam

IntroducciónAnteriormente he trabajado con placas Arduino para desarrollar un movimiento basado en móvil alertas. Pero siempre quise trabajar con frambuesa Pi debido a los proyectos diversificados que podrían hacerse fácilmente ya que es una computad
Coche batería va muerto después de unos días

Coche batería va muerto después de unos días

este es mi Sonata de Hyundai 2012. No conducirlo durante diez días. Cuando regresé a casa, la batería estaba muerta. Nunca he tenido esa experiencia en cualquier coche siempre que manejé.Este Instructable se aplica a mi coche, pero con toda la electr
Tres acoplados en una - caja, coche y tapa plana.   El Trailer de la parte superior de la caja.

Tres acoplados en una - caja, coche y tapa plana. El Trailer de la parte superior de la caja.

Al construir un nuevo trailer, quería el trailer más versátil posible. Necesarias para poder llevar una carga grande de arena o mantillo, ser aptos para transportar palets, capaces de cargarse por la carretilla elevadora y realizar un paseo en la seg
Corte de láser de Control remoto coche

Corte de láser de Control remoto coche

Hay algo muy atractivo acerca de coches de control remoto. Se mueven alrededor, en las cosas, y están totalmente controlados por usted.Echale mi vid de este proyecto aquí.Construcción de chasis de automóvil imprimible cortado o 3D de láser de makenai
Arduino RC coche con el transmisor personalizada y de largo alcance.

Arduino RC coche con el transmisor personalizada y de largo alcance.

¡ Hola! Este es mi primer instructable.En él te mostraré como hacer un coche RC y el módulo inalámbrico nrf24l01 + Arduino, o cómo actualizar un coche RC de 27 MHz.El viejo coche del RC, que desde el chasis y el heli controlador, recibí de un amigo m