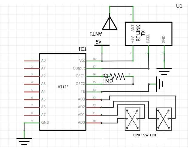
Paso 6: Circuito transmisor






Consiste en el circuito del transmisor
- Codificador HT12E
- Módulo transmisor de RF
- Dos interruptor DPDT
- y el resistor de 1M
Tengo 2 circuito de transmisor con interruptor DPDT y uno con el botón
En la fig 6 se muestra las conexiones del interruptor DPDT
HT12E PIN DESCRIPCIÓN
Pin (1-8) --pin de dirección de 8 bits de salida [A0, A1, A2, A3, A4, A5, A6, A7]
Pin 9 --tierra [Gnd]
Pin (10,11,12,13) --pin de dirección de 4 bits de entrada [AD0, AD1, AD2, AD3]
Pin 14 --habilitar transmisión, bajo activo [TE]
Pin 15 --entrada de oscilador [Osc2]
Pin 16 --salida oscilador [Osc1]
Pin 17 --salida de la serie de datos
Pin 18 - fuente de voltaje 5V (2.4V-12V) [vcc]
A0-A7 --son pin de dirección de 8 bits para la salida.
GND -- Este pin debe conectarse también a la negativa de la fuente de alimentación.
TE , estos son el pin enable de transmisión.
Osc 1,2 --estos pines es el oscilador de pines de entrada y salidas. Este pin se conectan entre sí con un resistor externo.
Salida --esto es un pin de salida. Las señales de datos se da de este pin.
Vcc - Vcc el pin conectado al positivo de alimentación, se utiliza para el IC de potencia.
AD0 - AD3 --estos son los pines de dirección de 4 bits.