Paso 4: El propulsor microcontrolador


Las especificaciones del controlador son muy críticas. El circuito del controlador incluye lo siguiente:
· Rápido microcontrolador con 32-I/O, capaz de manejar los algoritmos de inteligencia artificial fuerte.
· Capacidad de servos de alta potencia de coche motores.
· Capacidad de hacer video generación
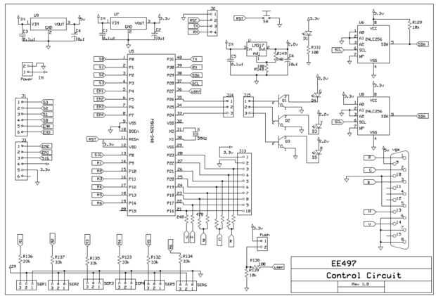
Siguiendo las especificaciones anteriores, el microcontrolador es elegido para ser el microcontrolador "Hélice". La hélice es sistema de multi-core de 32 bits, funcionando a 80 MHz. capacidad de generación de vídeo y procesamiento en paralelo. Es lo suficientemente potente para ejecutar todo el sistema.
P0 a P8 se utilizan para los multiplexores, P9 a P15 se utilizan para controlar los servos













