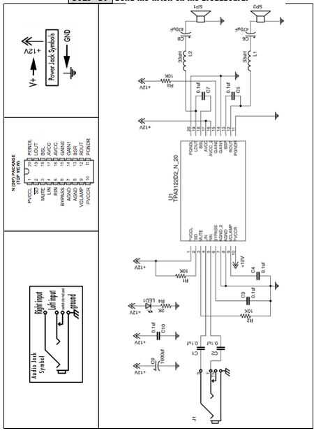
Paso 6: Construcción del amplificador







Para el amplificador esto definitivamente le llevará mucho tiempo ya que no es un circuito fácil de construir, pero será muy gratificante al final. No sólo eso, pero puede personalizar el paso alto y paso bajo filtros en los altavoces para conseguir el sonido deseado. También para este circuito he utilizado un tablero impreso personalizado hecho por un amigo mío, pero este proyecto es todavía posible incluso sin esta placa exacta. Para hacer este protoboard primero todo el circuito hacia fuera y asegurarse de que funciona también Asegúrese de que su fuente de alimentación de sobremesa es a 12v. Utilice las pinzas cocodrilo para conectar los altavoces y escuchar música para probarlo. Si no puede conseguir que funcione de utilizar algunos consejos que añadí en las fotos. Los deben cubrir algunos de los más de hecho errores, sin embargo si no es así, que saque un multímetro y comienza a revisar el circuito. Una vez que está funcionando ahora puedes jugar con filtros de paso alto diferentes para los tweeters. Esto es preferencia personal totalmente, es mejor sonar, solo escoge uno que te gusta. Asegúrese de que cada cosa es sólo cómo usted quisiera antes de transferir todo a tablero del circuito. Mientras que la soldadura tenga mucho cuidado porque un error podría fijar puede volver mucho tiempo y te hace muy frustrado. Si no funciona cuando termine, ir otra vez a través de los consejos que escribió (en la sección de fotos). En este punto estás listo para comenzar a armar el producto final.