Paso 1: Materiales y herramientas


Materiales:
-Protoboard
-Pinzas
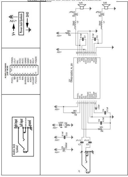
-Varios componentes de la electrónica (véase el esquema)
-Madera contrachapada
-Full Range altavoces (2) Altavoces de rango completo (yo usé estos)
-Tweeters (2)
-Cable
-Las juntas altavoz
-Surtido de tornillos y tuercas y tornillos (para sujetar los altavoces)
-Pegamento de carpintero
-Pegamento
-Tubería del encogimiento del calor
-Cera en pasta
-Toallas de papel
Herramientas:
-Sierra de marquetería
-Sierra de cinta
-Lijadora de banda
-Taladro y brocas surtidas
-Soldador y desoldador trenza
-Combo Plaza
-Surtidos cinceles
-Lijadora de disco
-Lijadora de tambor
-Lijadora de eje