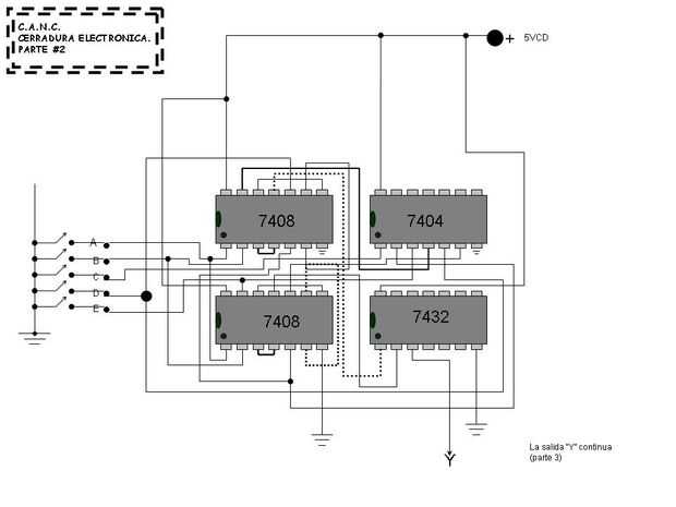
Cerrojo electronico de 32 combinaciones

Inglés

Artículos Relacionados

Hacer combinaciones de Color

Hacer combinaciones de Color

La luz es un tema pesado.Dicen que los colores primarios en pintura son rojo, amarillo y azul, pero luego aprende que los conos en nuestros ojos sólo sensación rojo, verde y azul. Luz todos juntos hace luz blanca, pero todo pintura juntos hacer el co
Retire roto la llave del cerrojo de pasador

Retire roto la llave del cerrojo de pasador

Lo siento. Hoy no elocuente.Ir a trabajar. Puerta cerrada. Cerrojo de seguridad. Clave se interrumpió.Llamado cerrajería. Necesidad de perforar. mano de obra $200. partes de $40. Desconecte.Mira en línea. ¿"Cerrojo? Aspira a ser tú. Llame a un cerraj
KVG concepto arma: Acción de cerrojo Bullpup catapulta de repetición

KVG concepto arma: Acción de cerrojo Bullpup catapulta de repetición

Hola instructables! Mi tercera colaboración con lisa azul y es un gran logro! Una acción de cerrojo bullpup, repitiendo sling shot. Esta pistola fue inspirada por la pistola de nerf Perno cruz. Muchos años han estado tratando de hacer un cabestrillo
Cómo romper el Masterlock candado combinacion en 100 intentos o menos!

Cómo romper el Masterlock candado combinacion en 100 intentos o menos!

Hola a todos!!!! Este es mi primer instructivo y espero os guste. (por favor comentar)En este instructable compartiré cómo romper un candado masterlock en 100 intentos o menos. (Útil si usted perdió su combinación)HECHO: más candados de master\lock t
Cerrojo RFID Hack

Cerrojo RFID Hack

¿Crear entrada sin llave a cualquier puerta en tu casa?Utilice el pestillo existente y el Cerrojo Hack Kit combina una alta - calidad servo, un low - interruptor de botón perfil, RGB LED para indicación de estado, un kit de lector RFID serial que inc
Como bloquear una puerta que no tiene cerrojo

Como bloquear una puerta que no tiene cerrojo

Si alguna vez os habeis tenido enfrentar un pecado de una puerta de bañocerrojo, sabreis lo mal se pasa y la difícil elección se presenta entre aguantarse las ganas o sujetar la puerta mientras tanto.No os voy a engañar, este truco no es infalible y,
Reparación de pantalla táctil: Schlage BE469NXCAM716 Camelot cerrojo de pantalla táctil con tecnología Z-Wave

Reparación de pantalla táctil: Schlage BE469NXCAM716 Camelot cerrojo de pantalla táctil con tecnología Z-Wave

(Actualización: este servicio (en el primer cerrojo) sigue trabajando después de una semana de uso. El segundo cerrojo tenía los mismos problemas, sin embargo, después de reparar el cepillo flojo todavía no funciona. Aparece que el panel de tacto rea
(e-cig) 2 mods de madera inferior alimentador, electronico y mecanico

(e-cig) 2 mods de madera inferior alimentador, electronico y mecanico

Os presento mi dos mods de madera alimentador la parte inferior, uno mecanico y otro electrónico con electronica yihi sx350.Paso 1: MaterialesMateriales electronico mod:-madera-palos de polos(16)-cabezal 510 fat daddy-chip yihi sx350-porta baterías 1
Cómo crear un controlador de cerrojo RFID

Cómo crear un controlador de cerrojo RFID

Este instructable fue creado en cumplimiento de la exigencia de proyecto de la Makecourse de la Universidad de South Florida (www.makecourse.com)Este manual lo guiará a través de cómo construir un actuador de la cerradura de cerrojo electrónico que p
El control de un cerrojo electrónico Schlage con un arduino!

El control de un cerrojo electrónico Schlage con un arduino!

Este instructivo le guiará a través del proceso de desmantelamiento y hacking un cerrojo electrónico Schlage para controlar con un arduino.Paso 1: Comprar la cerradura y descomprimirlo yo tengo la mía a la venta por $99 en Lowe.Saque de la caja y ech
FSSR - verdadero cerrojo Rifle de francotirador de acción

FSSR - verdadero cerrojo Rifle de francotirador de acción

actualización!!!!!! He publicado las fotos de gatilloESTO ESTÁ ACABADO CONSTRUIRLO!!!Han visto las fotos, y ahora usted puede construir!Esto es fácilmente mi arma favorita personal, obtiene gran poder y tiene un par de novedades que espero que les gu
Rifle de cerrojo de K'nex

Rifle de cerrojo de K'nex

antes de que usted me llama, "por qué no estaba esto publicado hace años", no he sido activo en este sitio para cerca de 2 años., y fue supuesto para ser publicada alrededor de una semana después de que la pistola Striker fue lanzada. Este es el
KVG cerrojo cargador de pistola

KVG cerrojo cargador de pistola

esta arma puede, cuando termine, dispara hasta veinte metros.Fuegos pequeños trozos de negro o verdes.Lo sentimos, zurdos, está diseñado para diestros la gente, porque soy diestro.Dispara un tiro en un momento, con tres segundos de recarga si se prac
Cómo programa Schlage cerrojos electrónicos

Cómo programa Schlage cerrojos electrónicos

echa cerrojos encendidos más en: http://www.build.com/electronic-door-deadbolts/c50058?source=smyt_pv_sdPara más información sobre este producto visite la página del producto: http://www.build.com/schlage-be365-cam-camelot-electronic-keypad-single-cy