Paso 4: Placa de cara del plexiglás máquina para vaso


Notas sobre la fabricación de la placa de...
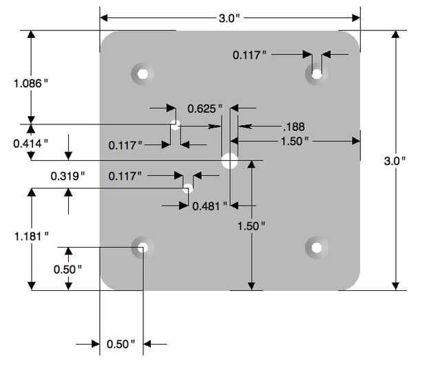
Utilizar estándar de 0,093" plexiglás o lexan máquina la parte de la placa de cara según las especificaciones técnicas. Una vez más, mi tolerancia estaban dentro de 0,004". Realmente no necesitas los 4 agujeros en la parte exterior del avellanador. Igual la mirada limpia de los sujetadores avellanados. Definitivamente podría utilizar un sujetador de cabeza.
Definitivamente puede reproducir esta parte sin mayor problema en el taladro.
Gritos...
Usted puede notar que en la foto de la placa de cara a máquina hay un agujero extra en ella en comparación con el dibujo técnico. Era el remanente de un anterior diseño de vaso donde tuve los dos orificios en el mismo camino radial, que luego fue cambiaron a diferentes caminos radial para evitar que los pasadores de seguridad de colgar en el agujero equivocado. En lugar de una nueva placa de mecanizado me simplemente derretir algunos plásticos y rellena el agujero por lo que era liso. No hermoso, pero muy funcional.