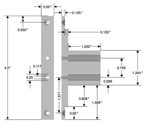
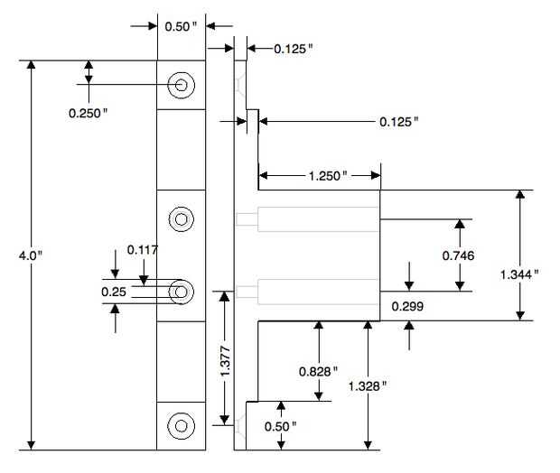
Paso 3: Imán de sujeción de la máquina y caja del resorte



Notas sobre cómo hacer el perno magnético y el resorte vivienda...
Mecanizado el perno magnético y caja de resorte de 3/4" espesor HDPE en mi pequeño taller mecanico Mini molino. Definitivamente puede reproducir esta parte en un buen taladro con paciencia. Sus tolerancias probablemente no será dentro de 0,004", pero usted debe poder conseguir TOLERANCIAS lo suficientemente cercanas si cuidadosamente marcar, perforar y fijar su tope de profundidad de los agujeros.
Pedacitos de taladro de madera estándar deben cortar el plástico fino. Sin embargo una vez más para reproducir fielmente los perfiles de agujero de la pieza necesita una forschner broca o fresa de 1/4".