Paso 5: Protoboard el circuito



- 24 LEDs (rojo, blanco, ámbar/azul)
- Microcontrolador Arduino (que suministrará la energía mientras está conectado a la computadora)
- Chip de Max 7221
- Condensadores
- Resistencias
- Protoboard, cables de puente, los cables cocodrilo
- Regulador de voltaje
- Acelerómetro
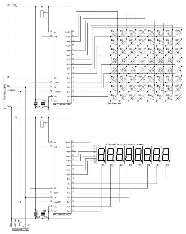
Documentación de Max72xx de Arduino tiene un gran

--utilice para construir el circuito en el protoboard. Tenga en cuenta que sólo usamos 24 LEDs, por lo que sólo nos va cableado hasta las primeras tres filas de matriz de LED (lugares [0,0] a [2,7]) desde el esquema. También puede ignorar la mitad inferior del esquema, que muestra un segundo chip de Max y un display de LED de 8 dígitos.
Además el cableado en el diagrama esquemático arriba, usted necesitará conectarse el acelerometro el Arudino. El sitio de Arduino también tiene una buena discusión del acelerómetro ADXL3xx. Nos sólo salida de datos desde el eje x (izquierdo y derecho inclinación), por lo que se conecta el acelerómetro
- X-pin para el Arduino de A0 (cero analógico) pin
- + pin para poder
- -pin a tierra
Antes de pasar al siguiente paso, hacer que el circuito trabaja a tu gusto. Puede que desee modificar el programa para menos parpadeos intermitentes, etc..