






utilizan 1 watt luxeon rojo luz de freno y Parque luz usé 3 led 8mm blanco de.
rompí la bombilla del oem y la parte metálica de la bombilla se utiliza para fijar el tablero llevado,
ahora mi moto tiene una brillante bombilla led que consume 5 vatios / 1 vatios y es más brillante que el oem,
ventajas: cuerno suena bien, las linternas son más brillantes.
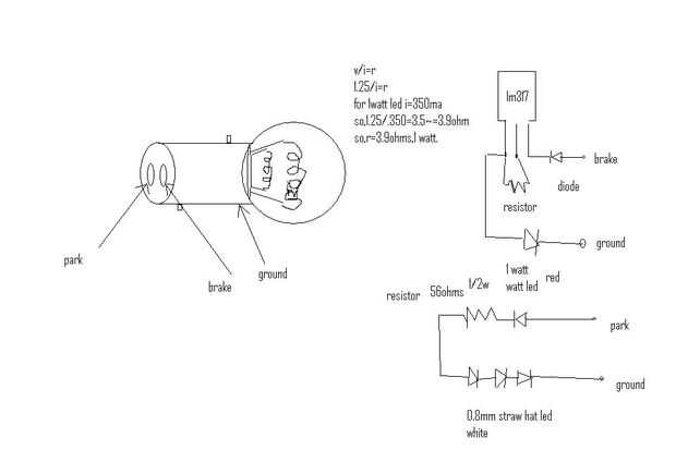
el circuito ha sido diseñado con lm317 como fuente de corriente constante,
V / I = R
1.25/0.35=3.57ohms
Utilice 3.9ohms, 1watts resistencia con lm317 con un pequeño disipador de calor para el lm317.
los tres blancos de led son 70ma conducido,
así que usando 56ohms, 1/2 vatios conducirá tres leds.
costo del proyecto - Rs150 /