Paso 2: El esquema


Si tienes problemas identificación de pines de los MOSFET, buscar el número de parte del MOSFET que está utilizando y seguir lo que dice allí.
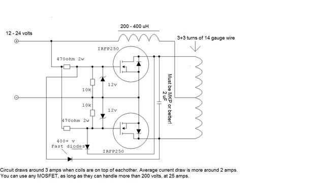
Para aquellos que siguen al libro, pines del IRFP250 van así, de izquierda a derecha; Puerta, desagüe y luego fuente.
Asegúrese de que cuando usted está haciendo esto, los diodos se ponen en el camino correcto. No mezclar su Zéner con los regulares!
Si esto arruinara, tu MOSFET seguramente irá boom!
Puede usar un laptop cable de SMPS al poder, que pone hacia fuera alrededor de 18 voltios. (si decides ir a esta ruta, asegúrese de que su fuente de alimentación puede manejar una buena cantidad de corriente. Mina tiene una potencia de 3,5 amperios, y de vez en cuando se dispara la detección de OC (sobrecorriente)!)
Voy a añadir una palabra de advertencia; Si usted planea usando un 7805, no debe exceder 15 voltios de entrada, en el transmisor. Debido a la subida del resonante, el condensador se carga sobre lo que el 7805 es capaz de manipular. Tenga cuidado por favor!
Si quieres poner más jugo en su transmisor, debe utilizar un convertidor del buck, de lo contrario las cosas serán muy infelices en el extremo receptor.
Para los diodos, la banda negra sobre ella, o la banda blanca en el UF4007 indica el cátodo. El otro extremo es el ánodo. (para los términos más simples, el cátodo es el extremo puntiagudo del símbolo de diodo, donde la línea pasa a través de él. El ánodo es el plana base del triángulo)
Esto es solo por el transmisor.
Cambiar el valor del inductor cambiará la cantidad de corriente. Un inductor de valor menor será igual a más corriente, un valor mayor, menos corriente. He llegado hasta 1,5 amperios máximo empate, pero el inductor recalentado! (el calibre era demasiado pequeño)
Las vueltas de la bobina será también además cambiar el consumo de corriente, así como la frecuencia. Más vueltas, más baja frecuencia, bajan corriente. (Creo, esto es el resultado de la resistencia de un hilo y el cambio de frecuencia)
También tenga en cuenta; cuanto mayor sea el voltaje de entrada, la mayor distancia, usted debe obtener de su transmisor. Como un bono adicional, usted también recibirá más tensión en el extremo receptor así! Recuerde, sin embargo, en este viene un costo; los mosfets obtendrá más cálidos, y aumentará su consumo de corriente!