Paso 1: Circuito de construcción y programación




Herramientas:
- Ordenador portátil (con el software Arduino)
- Soldadura de hierro
- Manos (no esencial, pero hace más fácil de soldadura)
- Micro USB a USB cable
Materiales:
- 2 x 30cm, sin escobillas ventilador 5v, para despejar la niebla. (Utilicé estos).
- Tablero de Arduino Uno, para la creación de prototipos (kit básico incluye todos los materiales necesarios para empezar.)
- Sin soldadura Breadboard
- Ronda de fuerza resistencia sensible o botón alternativo. (sensor que se utiliza como un botón debido a su delgadez, disponible aquí.)
- Tablero de v5 baratija Pro Adafruit, utilizado para la reducción de circuitos, que mantener reprogramable. (Si se siente cómodo, que no necesitas usar el tablero de Arduino Uno para prototipo, puede a la baratija Pro, que está disponible aquí.)
- Mochila de León LiPo que permite carga y potencia el Abalorio Pro (aquí!)
- 2 transistores x PN2222
- Diodos 1N4001 x 2
- 2 x 220 ohm resistencias
- 10 k ohmios de resistencia
- 3.6V litio cilíndricas de 2200 mAh de ion-litio (aquí.)
- Protoboard para construir el circuito final.
- De la soldadura
Nota: Puede que desee dejar cableado de los ventiladores en su lugar, porque al montar el visor necesita recorren los cables manguera más tarde.
Si usted es nuevo a Arduino y codificación, puede ayudar a hacer unos tutoriales básicos antes de sumergirse en el proyecto.
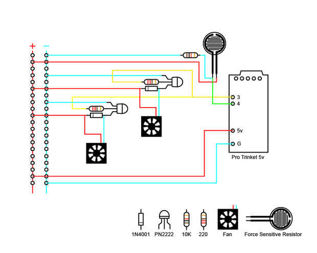
1) fije mochila Adafruit LiPo León a baratija Pro Adafruit 5v según las instrucciones de th.
2) seguir el esquema indicado anteriormente. El diagrama muestra el circuito conectado con un abalorio Pro, pero si empiezas en el Arduino Uno o el Abalorio Pro los pines utilizar (3, 4, 5 v, G) el mismo.
3) Nota que la dirección del transistor y el diodo es importante!
4) ahora podemos empezar a programar. Este código comprueba un pull-down resistor para saber cuando empezar los ventiladores. También utiliza "debounce" para cuando lea los controles chip para una prensa el interruptor para un limpia. Para saber más acerca de "debounce" cheque aquí.
5) a continuación es el código con comentarios. También se adjunta una copia del código de Arduino:
6) cargar el código en el tablero y darle una oportunidad! Cuando esté listo, si no tienes ya, portar el código a la baratija Pro y soldar los componentes en su lugar. Tutoriales de soldadura está aquí en caso lo necesite.
7) se puede ver en la imagen anterior que fui a través de 3 generaciones de configuraciones de circuito, cada vez tratando de conseguirlo más pequeño entonces la última de ellas.