Calefacción y sistema de enfriamiento portátil (3 / 7 paso)

Paso 3: Entender el diseño

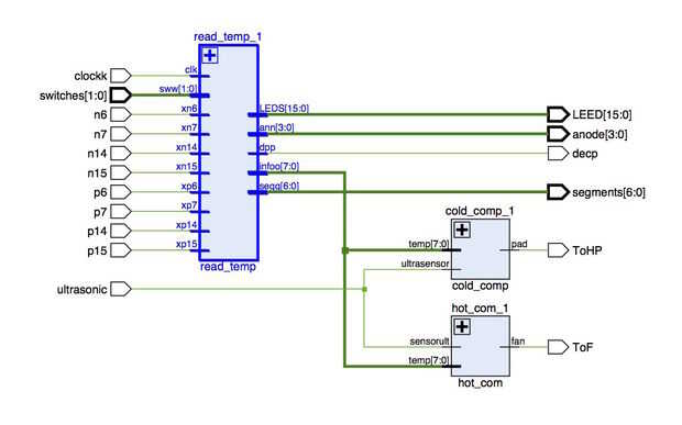
El diagrama de caja negra y el esquema para el sistema es publicada por encima. En el diagrama de caja negra, el P6 y Pn6 son las entradas de pin que envía la señal de voltaje de la placa Basys 3 al componente XADC, y luego las salidas de la XADC están conectadas al display de siete segmentos, ánodos y lugar decimal para mostrar la temperatura detectado por el sensor de temperatura. El XADC también generar las salidas binarias de 8 bits que compara la temperatura con el rango de la temperatura. Sensor de ultrasonidos por el contrario es la señal de 1 bit que había salida de '1' cuando la gente está en la gama. Comparador de caliente y frío comparador tendrá en las señales de salida temperatura XADC y sensor ultrasónico salida señal y enviando las señales para activar o desactivar el ventilador/calefacción del cojín.

Artículos Relacionados

¿Cómo hacer un sistema de juego portátil

¿Cómo hacer un sistema de juego portátil

Ever pensado poder jugar tu sistema de juego favorito en cualquier lugar? Estoy seguro de que tiene. Siguiendo esta guía, puede aprender a 'portablize' Nintendo Entertainment System.En este Instructable te enseñaré todo lo que necesita saber para arm
Sistema de juego portátil

Sistema de juego portátil

recientemente he construido un sistema de juego portátil que te permite jugar 12 * totalmente RADICAL Namco games como Pac Man, Dig Dug y cosas tan buenas.Ahora, quiero hacer cinco cosas perfectamente claro antes de comenzar...1) este es mi primer in
Sistema de sonido portátil

Sistema de sonido portátil

de algunos de los artículos recogido en la tienda de buena voluntad, he construido un par de altavoces para ordenador ruidoso, excelente calidad. Este instructable le mostrará cómo modificar los altavoces para ordenador chungo que generalmente vienen
Sistema de altavoces portátil con iPod Touch dock

Sistema de altavoces portátil con iPod Touch dock

mientras que en viajes largos familias traemos a lo largo de nuestra Netbook o Laptop con el uso como un sistema de entretenimiento portátil. Más a menudo un par de auriculares no es suficiente. Yo también Prefiero tener un juego decente de altavoces
Caja de sistema de juego portátil: Construido para

Caja de sistema de juego portátil: Construido para <>

¿Como tomar tus lugares de consola de juegos de azar, pero odias tratar con cuerdas? Entonces este proyecto es para usted!En las instrucciones siguientes, usted aprenderá cómo crear un go-anywhere sistema de juego, que se puede utilizar en cualquier
Hacer un sistema de juegos portátil-en Photoshop!

Hacer un sistema de juegos portátil-en Photoshop!

Este es mi primer instructivo que visitas el potente y extraordinario mundo de photoshop, les espero guste!Me sorprendió que había nada como esto en instructables hasta ahora, así que pensé que mostraría todo mi proyecto que hice con photoshop CS4. P
Sistema de altavoces portátil del pobre

Sistema de altavoces portátil del pobre

es un altavoz portátil muy simple de un adaptador de manguera de jardín.Es la lista de piezas.x1 gran conector de manguera de jardín.x1 conector hembra auricularx1 altavoz auricular (así cualquier altavoz que se ajuste).x1 pedazo de cables de auricul
Hacer una NES portátil. (sistema de entretenimiento portátil de nintendo)

Hacer una NES portátil. (sistema de entretenimiento portátil de nintendo)

me ha encantado la idea de mano portátil de juegos de azar ya que mi primera Game Boy y yo hemos amado la idea de hacer consolas portátiles aún más! VI unos walkies NES e hicieron todo muy bien. Decidí hacer mi propio y publicar un vídeo de cómo hace
Calefacción y sistema de enfriamiento de BioMONSTAAAR

Calefacción y sistema de enfriamiento de BioMONSTAAAR

basado en enfriadores de bricolaje acuario (por ejemplo, solía contentar a camarón y ajolote ), fue diseñado un sistema Peltier cooler térmico eléctrico (TEC); para proporcionar estabilidad de temperatura dentro del biorreactor prototipo de BioMONSTA
"Smart Shield" - sistema de alarma portátil usando Arduino

"Smart Shield" - sistema de alarma portátil usando Arduino

PIR Sensor está conectado a la tarjeta de arduino. Cuando se detecta un movimiento, un sonido de alarma y parpadea LED voluntad comienzan a actuar. Los tiempos de las detecciones de movimiento se guardan y pueden ser vistos más tarde en una pequeña p
Sistema de extintores portátiles bush

Sistema de extintores portátiles bush

Este post es una idea en lugar de un diseño. Aportes son bienvenidos afinar esta idea en un diseño realizable si se considera que la idea tiene mérito.Lo que se propone es un incendio y los bosques fuego activo protección envase. Sería especialmente
Hacer juegos de video! (para mi sistema de juego portátil DIY)

Hacer juegos de video! (para mi sistema de juego portátil DIY)

Si usted ha hecho mi sistema de juego de DIY, usted querrá añadir juegos. Mi ejemplo uno ya tiene juegos incorporados,pero el tuyo no. Es por eso que voy a mostrarte cómo! Existen métodos más de 9, por lo que te voy a mostrar los 3 básicos!Paso 1: Lo
Sistema de Audio portátil potente!

Sistema de Audio portátil potente!

¿Busca un sistema de audio potente explosión en una fiesta?Quiere alta fidelidad?¿Bajo?¿Fácil de construir y asequible?Este proyecto es para ti!Gracias también billbob y su tutorial que me ayudó a conseguir los fundamentos abajo para este proyectopro
¿Sistema de juego portátil DIY

¿Sistema de juego portátil DIY

han siempre querido podría tomar tu n64, n63 o incluso PS3 en cualquier lugar?No mire más!Paso 1: El dispositivo y herramientas Para el sistema utilice un conector- y jugar, como los gatos que sea más fácil como pasa el tiempo. Estos son relativament