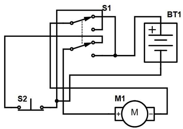
Paso 8: cableado




Esta es la parte más difícil de este proyecto y sin embargo todavía es bastante simple.
Usando el interruptor DPDT (doble poste dos) permite la inversión del flujo de corriente. Las habilidades de soldaduras necesarias para este proyecto son mínimas, pero debido a la estrechez entre la parte inferior del interruptor y el interruptor micro, además de la posición del dedo, las fichas tendrán que doblarse hacia abajo después de que los cables se sueldan en su lugar. No hay habitación para soldar descuidado aquí.
Para diferentes niveles de habilidad y experiencia, estoy incluyendo cuadros esquemáticos y pictóricos, además de una descripción de largo aliento. Elija su método favorito para la interpretación.
Alambre (4) el crossover.
Corte a la longitud, un cable para crear un camino diagonal a través, hoja (4) a la cuchilla (3) soldadura con alambre (3) en la cuchilla (3) y soldadura el solo final en hoja (4)
Alambre (1) interruptor Micro común.
Corte a apx 3". La soldadura de un extremo a la hoja (1)
Rojo Motor de alambre (2)
Soldadura el cable rojo del motor a la cuchilla (2)
Alambre (3) Micro interruptor (NC)
(Véase "De alambre (4) el Crossover")
Azul Motor de alambre (5).
Soldadura el azul del alambre del motor a la lámina (5)
Conexión de los cables (7)
Alambre (6) se une al hilo (7) en el interruptor micro terminal (NC) a la batería (-)
Conexiones con el interruptor Micro:
Usé conectores hembra de hoja con un extremo de la encrespadura para hacer estas conexiones. Puede hacer lo mismo o simplemente de la soldadura de las conexiones.
Alambre (7) con cable (6) al terminal de interruptor Micro (NC)
Luego de alambre (7) a la batería (-)
(1) el cable del interruptor al Micro interruptor (común)