Caja de lluvia de frambuesa Pi (7 / 7 paso)

Paso 7: Hardware - parte 4

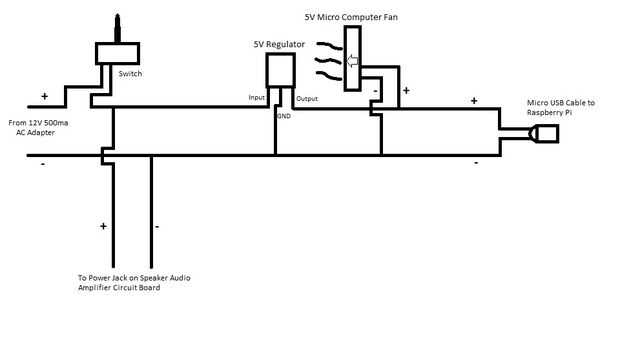
Ahora estamos listos para encender el sistema e instalar todo en la caja. Antes de soldar todo, asegúrese de perforar un pequeño agujero en la parte posterior de la caja para el cable de alimentación a través de la secuencia, también até un nudo en él para que no electrónica está siendo tirado en. Siga el esquema incluido para todas las conexiones de alimentación de la soldadura. El regulador de 5V se calienta, por lo que un pequeño agujero en la parte posterior de la caja es necesario para el escape de ventilador. Pongo esto hacia el lado opuesto del orificio cable de alimentación. También corté un fragmento de metal que tenía puesta alrededor para actuar como un disipador de calor que había jodido el regulador a. El ventilador y 5V regulador necesita ser pegado en la caja de tal manera que el ventilador esté libre volar, golpes en el regulador y el orificio de escape pequeña en la parte posterior de la caja (ver imagen). Casi listo! Todo lo pone en la caja, asegurándose de que un.) todas las conexiones están hechas y la toma de audio está conectada a la frambuesa Pi, b.) el ventilador está libre para soplar aire, c). el amplificador de audio se pega en la parte inferior de la caja para prevenir el movimiento d.) todas las conexiones están cubiertas! Finalmente, atornille la tapa con los tornillos incluidos.

Bueno, que sobre termina! Disfrutar de la lluvia!

Artículos Relacionados

Completa estación de bricolaje frambuesa Pi con el Software

Completa estación de bricolaje frambuesa Pi con el Software

A finales de febrero vi este post en el sitio de la Raspberry Pi.http://www.raspberrypi.org/School-Weather-Station-...Habían creado estaciones de meteorológicas Raspberry Pi para las escuelas. Totalmente, yo quería uno! Pero en aquel momento (y creo
Cupcakes de frambuesa limón Poke

Cupcakes de frambuesa limón Poke

¿qué es un CUPCAKE de POKE??Es una muy buena pregunta, mis amigos. Un pastel de Poke, es un pastel que ha sido asomó, y algún tipo de salsa de gelatina ha sido rociado sobre él. La llovizna se filtra en los agujeros y satura el interior de la torta.
Cómo cajón tren su perro

Cómo cajón tren su perro

Cuando llegamos primero a nuestro perro, lluvia, tuvo algunos problemas de comportamiento bastante malos. Ella tenía pulgas y gusanos y sus últimos dueños la dejó encerrada en un cajón durante 14 horas al día. Debido a esto, ella tenía cierta ansieda
RaspiBoy, Gameboy frambuesa Pi, SuperPiBoy: Un RaspberryPi dentro de una Game Boy

RaspiBoy, Gameboy frambuesa Pi, SuperPiBoy: Un RaspberryPi dentro de una Game Boy

¿Tienes un caso de Gameboy? ¿Tienes RaspberryPi? Ahora vamos a construir un RaspiBoy. Es un RaspberryPi dentro corriendo varios emuladores de Game Boy. Te hace sentir de nuevo los viejos tiempos y uno de los mejores gadgets para Retrogaming.Mi RaspiB
Frambuesa pi portátil

Frambuesa pi portátil

En este instructable mostraré u cómo construí mi laptop frambuesa y posteriormente aprenderá a construir su propio. Espero que disfruten este instructable.P.S si te gustó este instructable no olvide votar por mi en el concurso de frambuesa pi.Lista d
Ventilación de frambuesa Pi

Ventilación de frambuesa Pi

La frambuesa pi es un equipo poderoso para su tamaño y es una necesidad para cualquier DIYer. PI no viene con algún tipo de disipador de calor o dispositivo de enfriamiento por lo que puede calentar para arriba rápidamente n los casos normalmente cer
Ver el aire que respira tu comunidad

Ver el aire que respira tu comunidad

Residentes de nuestra comunidad local quería supervisar la calidad del aire en sus patios traseros para determinar si estaba siendo impactada por vuelos salidas y llegadas. En esta primera fase del proyecto, se construyó y desplegaron cinco estacione
Torta de la nave del pirata

Torta de la nave del pirata

he hecho esta tarta dos veces ahora, y dos veces que he tomado fotos del producto final, pero lamentablemente no las fotos mostrando el proceso. Esta es sólo una demo de un pastel más grande de escala que hice en mayo pasado para una fiesta de cumple
Rojo blanco y azul Jello Shots

Rojo blanco y azul Jello Shots

para el 4 de julio de este año que iba a una casa de amigos y quería aportar algo así que decidí hacer jello shots para celebrar el día de fiesta!  Esto fue un poco un experimento y mientras que los disparos podrían han celebrado juntos mejor, saben
Monitor de McGuyver.

Monitor de McGuyver.

¿Reproductor de DVD como un monitor de computadora? Recuerdas que hemos utilizado a un monitor compuesto en el Mythtv instructables. (). Aquí vamos a hacer una variación en eso pero utiliza un reproductor de dvd como el monitor. Aunque me refería a e
Pastel de cabeza de Zombie

Pastel de cabeza de Zombie

mi hijo me pidió un zombie con temas fiesta de cumpleaños, y qué mejor forma de encarnar ese tema que con un pastel de cabeza de zombie 3D, completan con cerebros de gelatina.Paso 1: Lo que se necesitaEsta torta es un poco laborioso, y usted debe esp
Cómo hacer ensalada de Coka-Cola

Cómo hacer ensalada de Coka-Cola

este postre es uno de mis favoritos para reuniones. Es fácil de hacer e irresistible: yo estoy hambriento solo decirle sobre él. Bueno, suficiente sobre mí, hablemos de Coka-Cola ensalada.Paso 1: Compras y suministros Este plato es tan sencillo como
Una caja de planta con rayos y lluvia

Una caja de planta con rayos y lluvia

Soy un aficionado de la planta. Algunos días uno de mis amigos me dan un plato de la planta, no sé el nombre de esta planta, pero me gusta de todos modos.Y quiero construir una hora para mi planta detectar algunos datos, tal temperatura, humedad y CO
Una caja elegante planta con rayos y lluvia

Una caja elegante planta con rayos y lluvia

Soy un aficionado de la planta. Algunos días uno de mis amigos me dan un plato de la planta, no sé el nombre de esta planta, pero me gusta de todos modos.Y quiero construir una hora para mi planta detectar algunos datos, tal temperatura, humedad y CO