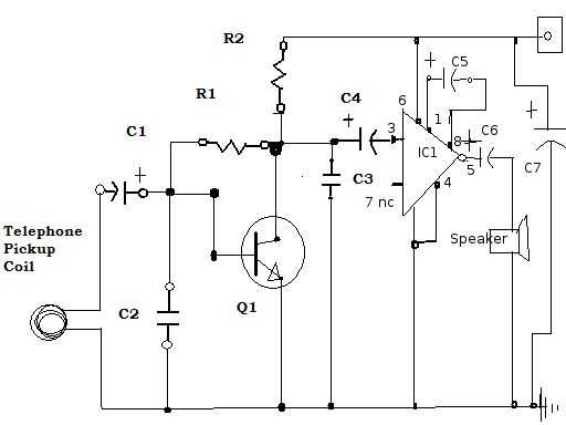
Paso 3: Plan!



Una advertencia aquí, si es posible, tratar de mantener la longitud de los alambres de conexión de las piezas en el tablero, en una longitud mínima. Esto es especialmente cierto para nada conectar a cualquiera de los condensadores.
Cables actúan como antenas, y usted puede terminar recogiendo señales no desea oír (estáticos, silbidos, etc,.).
Hubo algunas modificaciones que hice en el camino. Uno era colocar un simple interruptor de encendido entre la pata positiva del cierre de la batería y la tarjeta. De esta manera yo pude apagarla sin tener que quitar la batería cada vez.
Una vez que ha escrito cómo desea colocar sus piezas en el tablero y conectar (hacer un dibujo de ella con el fin de mantener claro en tu mente), siempre coloque el zócalo del IC primero y en la soldadura. Esta manera, puedo comprobar de cerca, y prueba fácilmente si tengo puente soldadas las patas (soldadas a través de dos o más pines que no quería). Para las personas con pérdida de color visión, como tengo, el vidrio de la lupa en un conjunto de "ayudando a las manos" puede ser tanto una bendición como una maldición; pero son muy útiles la mayoría del tiempo (la maldición viene debido a la necesidad de practicar cómo ahora mover las manos cuando se ven a través de una lupa).
También incluido una copia del patrón de la hoja se utilizaría para crear una placa grabada, si uno asi lo desea; pero no es necesario.