BRICOLAJE sencillo mezclador de audio (2 / 7 paso)

Paso 2: hacer

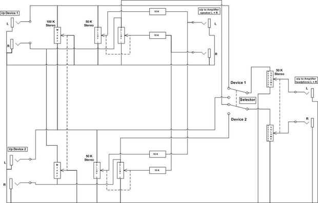
-ahora imprimir este circuito esquema / lo puedes descargar

Artículos Relacionados

Mezclador de Audio pasiva con Control de volumen de canal

Mezclador de Audio pasiva con Control de volumen de canal

mezclador de Audio esta mezcla varias entradas de audio a una sola salida audio, con botones para controlar el volumen de cada canal.Mis entradas RCA estéreos estructura particular cuenta con 4 mezclan a 1 salida RCA estéreo. Fácilmente podría modifi
Mezclador de audio lata Altoids

Mezclador de audio lata Altoids

había querido un pequeño mezclador de audio durante mucho tiempo pero eran a caros así que construí mi propio. Sólo puse un control de volumen en dos de las cuatro entradas pero puede añadirlos a la salida o los otros dos si quieres. CUBRIR el fondo
Sencillo amplificador de audio

Sencillo amplificador de audio

en la mayoría de los casos el primer proyecto de electrónica para principiantes está construyendo sencillo amplificador de audio. Eso es porque requiere un número pequeño de elementos y no muchos conocimientos para construir uno.Para los amplificador
Mezclador de audio

Mezclador de audio

me gusta tener largas charlas con mis amigos por Skype. También quiero escuchar música. Durante la conversación no es conveniente utilizar altavoces porque la música a veces molestar a mis amigos y cuando la conexión es lenta el sonido continuo puede
Actualización de mezclador de audio

Actualización de mezclador de audio

en este instructable te voy a mostrar cómo actualizo mi Behringer Eurorack MX802A. El Behringer Eurorack MX802 es un mezclador de 8 canales agradable que recogí unos años en Ebay por unos $50. Fue adquirido para su uso como un mezclador portátil de P
Cómo utilizar un mezclador de audio (soundboard)

Cómo utilizar un mezclador de audio (soundboard)

en este instructable voy a ir a través de todas las funciones de control encontradas la mayoría de los mezcladores (mezcla de consolas, mezcla de escritorio, consolas de audio, soundboards - todos ellos se refieren a lo mismo). Voy a empezar con los
Hacer un sencillo amplificador de Audio

Hacer un sencillo amplificador de Audio

es mi primer instructable. Vamos a ver cómo hacer un amplificador de audio que se puede utilizar con cualquiera de sus instrumentos musicales como guitarra, piano y con ipod y otros dispositivos. Que permite comenzar el viaje...Descargo de responsabi
Más sencillo amplificador de AUDIO

Más sencillo amplificador de AUDIO

es un amplificador de AUDIO muy sencillo que utiliza una cañería IC 386 THT usted puede conseguir fácilmente de RADIO SHACK o cualquier electrónica ordinaria tiendaPaso 1: Tomar una clavija de entrada de AUDIO Fije dentro del circuito quePaso 2: Adju
Sencillo reproductor de Audio

Sencillo reproductor de Audio

El tablero MediaTek LinkIt uno es realmente cargado con golosinas, con funciones como el GPS, GSM, GPRS, WiFi y BLE, todos los cuales están en una tabla con el factor de forma de un Arduino UNO. Lo que realmente izquierda yo (y muchos otros) tan impr
Sencillo amplificador de Audio (caseros)

Sencillo amplificador de Audio (caseros)

Hacer un amplificador de Audio de alta fidelidad es muy fácil!Vea el video para más detalles sobre cómo hacer uno y disfrutar de audio en casa! :)
Bricolaje sencillo Rayo Solar de Solarbotic

Bricolaje sencillo Rayo Solar de Solarbotic

Este es un proyecto simple para construir un solarbotic¿Utilizamos 7pcs de bpw34 fotocélula de silicio, cada uno de ellos puede proporcionar unos 0.53V tensión y 1.8mA actual, que es muy pequeño, derecha?así que usamos un circuito llamado "motor sola
Hidroponía de bricolaje sencillo neta pot/cesta de botellas recicladas

Hidroponía de bricolaje sencillo neta pot/cesta de botellas recicladas

manera rápida, sencilla, fácil y rentable para hacer su propio pote/cesta neta para la Hidroponía jardín fuera de usa/reciclado botellas de plástico y nylon malla esponjas de ducha. A diferencia de típicas macetas/bandejas perforadas, la abertura es
BRICOLAJE sencillo sellos de espuma

BRICOLAJE sencillo sellos de espuma

aquí es un proyecto fácil y rápido para hacer sellos de espuma con un apoyo pegajoso. Puede utilizar una almohadilla de tinta regular para estampar - o puede utilizar alguna pintura acrílica. Los sellos se pueden utilizar en papel o en tela.Paso 1: M
Sencillo amplificador de audio LM386

Sencillo amplificador de audio LM386

la canción es:Infected Mushroombonito semiPreguntas más frecuentes:P: el sonido sUxx0rz, arreglarlo!R: no, puesto que hay apenas cualquier pieza.P: ¿Cómo puedo agregar control de volumen?A: ya sea en serie con el altavoz (volumen) o entre las patilla