Paso 9: El soporte




No estaba seguro de cómo montar el brazo como yo inicialmente quería construir un articulación del codo y la articulación del hombro, pero como los servos para esto no estaban en stock en el momento, decidí seguir con el antebrazo en su propio.
-Encontré un viejo parado en una pantalla de Samsung y pegado el brazo en la ranura en la base. Esto funcionó mejor de lo esperado.
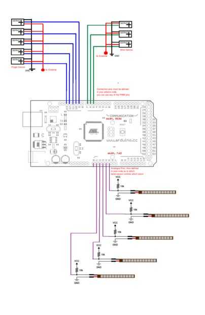
-Encolar una regleta de protoboard para la base o bajo el brazo. Esto va a ser conectado en la alimentación y proporcionar energía a todos los servos y Arduino.