Paso 6: Instalación y terminando











Corte una ranura en cada extremo del conducto y me perforó un agujero de 6 mm 90 grados a la ranura. Los anillos de la bola del espejo y el motor fueron montados en las ranuras y fija en su lugar pasando un tornillo de M6 a través de los agujeros y anillos.
Una vez que la bola del espejo y el motor se unieron, la cuerda podría atada a la silla de montar, a través de las poleas y adjunta a la cubeta de peso de contador. Entonces fue agregado más peso hasta que se equilibró el sistema. Después de experimentar he encontrado que lo mejor era si el contrapeso era levemente este que la silla de montar.
Con el espejo bola en él ha ocultado posición la caja fue entonces acarreados y fijo en la posición en la parte posterior de la arcada de la etapa. una vez hecho esto y los circuitos de dos control fueron por cable juntos el mecanisim todo fue probado.
El relé de la bobina de red usado para controlar los circuitos de impulsión desde el escritorio de la iluminación fue utilizado originalmente para parar una bomba caliente warter cuando la caldera se apaga por un interruptor horario. Porque este relevo era pluged en un circuito regulador de intensidad de que una lámpara extra era necesario añadir más carga, de lo contrario el canal no apagar completamente y el relé zumbido fuerte. La lámpara extra sólo se aprecia en el cuadro 1. Decidí colocar un filtro rojo y apuntar hacia arriba en el respiradero de la azotea para confundir a cualquiera que por casualidad a caminar más allá afuera.
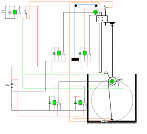
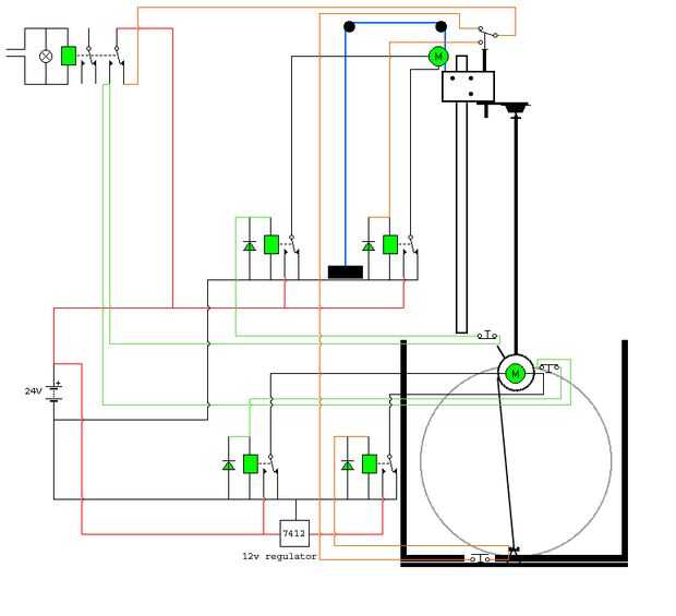
las 2 últimas fotos son de una animación de la bola en movimiento y un diagrama del circuito del sistema completo.













