Paso 1: Visión general del proyecto



Antes de llegar a partir en la construcción de una bola de láser, permítanme comenzar con una breve explicación sobre el formato de este Instructable. El primer paso aquí lista alcance del proyecto. El siguiente paso comparte un poco de historia sobre láseres y sus cualidades (especie de una pieza editorial). Entonces los principales Instructable comienza... Pasos 3-8 describen cada componente en la bola de láser con información útil y enlaces gratuitos. Paso 9 describe el proceso de montaje que se muestra en el video. Paso 10 es una especie de "mini-instructable" sobre cómo construir una "bola de láser de 5 minutos". Algunos datos útiles para tomar fotografías del laser están en el paso 11, y el proceso que atravesó para construir este Instructable se describe en el paso 12. Si desea los detalles sobre cómo construir la bola laser ir al paso.
Para empezar aquí es un desglose de las especificaciones, pasos, línea de tiempo, piezas, costo, proveedores, herramientas y diagrama de cableado para un completo Control remoto recargable y programable Laser bola.
Especificaciones de la bola del láser:
- Total potencia óptica: ~ 70mW
- Drenaje actual (máxima): ~ 300mA
- Voltaje de operación: 3.3V
- Duración de la batería: ~2.5hrs (pero su recargable!)
Pasos y cronograma:
- 1,00 h - preparación y recopilación de materiales y herramientas
- 0,25 hr - pensamiento a través del diseño
- recursos humanos 0,50 - preparando el Teensy
- hr 0,75 - Corte e instalación de rejillas de difracción
- recursos humanos 0,50 - perforación de la pelota de tenis
- recursos humanos 0,50 - instalación de láseres
- 1,00 h - soldadura láser, Teensy y JST conector
- recursos humanos 0,50 - componentes exprime en pelota de tenis
Tiempo total:
- 5.00 horas
Materiales:
- $42 - rojo láser (14) (compra de Aixiz)
- (Compra de DealExtreme) Nota: Estos láseres de DealExtreme son ligeramente diferentes que el láser Aixiz. Los láseres DX son más pequeños y más baratos, pero la tapa se pega en el lugar que hace la adición de la rejilla de diffration mucho más difícil.
Costo total:
- $78
Herramientas:
- Soldadura de hierro
- Dremel
- Desforrador/cortador de alambre
- Cuchillo de la manía
- Cinta de enmascarar
- Marcador
- Tijeras
- Pinzas/pinzas
- Ayuda-manos/pinzas
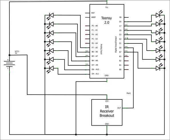
Esquema:
Actualización: Como parte de este resumen también he incluido dos imágenes adicionales que muestran el diagrama de cableado y esquemático.