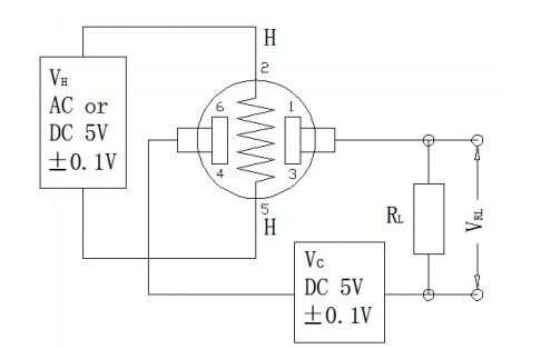
Paso 3: Diagrama del circuito



Utilizamos un divisor de voltaje para calcular el BAC por monitoreo del cambio en el voltaje en la resistencia de carga y utilizando la función de transferencia para calcular la resistencia cambiante del transductor. Disminución de la resistencia del transductor, aumentando el voltaje en la resistencia de carga. El diagrama de bloques muestra que el tema golpes en el transductor que se incorpora en el divisor de tensión. El divisor de tensión se conecta a un convertidor analógico a digital antes de producir el salida BAC.
Puesto que nuestro objetivo era optimizar la sensibilidad en el límite legal de 0.08, optamos por una resistencia de carga con un valor de resistencia igual a la resistencia del transductor a esa concentración de alcohol. También hemos añadido un verde LED que se ilumina cuando BAC está a menos de 0.08 y una roja LED se enciende cuando es mayor que 0.08 BAC. Estos LEDs están conectados a la salida de Arduino (discutido más adelante) y se colocan en serie con una resistencia de 220 ohm para limitar la corriente a través de ellos.