Bluetooth control 4 X 4 matriz led usando un SPLat EC1 PLC (1 / 10 paso)

Paso 1: El esquema

Artículos Relacionados

Marca: Bluetooth control RGB led t-shirt con Splat PLC

Marca: Bluetooth control RGB led t-shirt con Splat PLC

¿Todo el mundo tiene esa uno camisa les gusta usar, pero que pueden decir que tienen una camiseta que se ilumina? Mejor aún quién puede decir que tienen una camiseta que se ilumina y se controla desde su dispositivo android! Le daré las instrucciones
Arduino y Android basado en Bluetooth control de contraseña protegida inteligente cerradura de la puerta (excepto su casa)

Arduino y Android basado en Bluetooth control de contraseña protegida inteligente cerradura de la puerta (excepto su casa)

Todos estamos preocupados por la seguridad de nuestro hogar. Mundo cada vez más inteligente y más inteligente cada día y desea controlar y asegurado lo nuestro de manera más inteligente. En este tutorial que voy a explicar cómo hacer basados en un ar
Bluetooth control lámpara arco iris

Bluetooth control lámpara arco iris

Esta lámpara de arco iris controlado por Bluetooth se puede cambiar a cualquier color usando tu smartphone. La lámpara no sólo se ve como los siete colores del arco iris pero también brilla en los siete colores del arco iris. Las formas que hace en l
Bluetooth Control Robot

Bluetooth Control Robot

Esto es muy fácil de hacer y barato robot se puede obtener todos los componentes en amazon y la app y bosquejo de playstorePaso 1: Componente necesario 1.) 2 motores orientados + ruedas (compradas de amazon Rs.190)2.) Chasis (de Amazon Rs.115)3.) L29
Arduino Bluetooth control abrepuertas eléctrico

Arduino Bluetooth control abrepuertas eléctrico

¡ Hola! En esta guía de Instructables te mostrará cómo hacer su propio Bluetooth control de puerta, sistema de desbloqueo mediante el uso de la placa de Arduino uno. Hice mi propio circuito utilizando el microcontrolador ATmega328 pero este es un pas
Zapata de la matriz LED para conexión roscada

Zapata de la matriz LED para conexión roscada

recientemente recogí una luz 60 LED de DealExtreme. Esta luz barata tiene ajustes de potencia es extremadamente portable y se puede cargar vía usb. Esta matriz de LED arroja mucha luz y son perfectas para la fotografía de la parte inferior de la matr
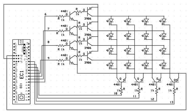
Fallos del módulo Arduino Bluetooth utilizando un PLC de Splat EC1

Fallos del módulo Arduino Bluetooth utilizando un PLC de Splat EC1

EL EC1 Splat en Splatco.com es un controlador embebido de Moe que es capaz de multitarea hasta 64 procesos a la vez, algunas de las características incluyen salidas PWM (modulador de ancho de pulso), flotante y punto y mucho más incluyendo interfaz c
Bluetooth control LED portátil con Intel Edison

Bluetooth control LED portátil con Intel Edison

¿Que nunca imaginó un mundo donde se puede cambiar el patrón de un vestido con un empuje del botón? ¿O a poder cambiar la altura de un dobladillo con un golpe de dedo? Tecnología permite control y personalización en lugares donde normalmente no lo ha
Arduino Powerd, RGB + blanco LED, Bluetooth controlable, lámpara de pie

Arduino Powerd, RGB + blanco LED, Bluetooth controlable, lámpara de pie

un par de montajes hace pedir un 1M largo WS2801 RGB llevó la faja, apenas para la diversión.Me tomé un tiempo para obtener la franja que trabajan con mi Arduino.El siguiente paso fue averiguar qué hacer con la tira.después de algún tiempo la idea vi
Android Bluetooth Control Led RGB

Android Bluetooth Control Led RGB

Elegir el color de la luz que te hace sentir más cómodo.Mando a distancia bluetooth simple que puede modificar la iluminación de tu dispositivo móvil o tablet.Tiene dos canales RGB separados donde se pueden obtener diversos colores por canal.Control
Bluetooth control RGB LED lámpara

Bluetooth control RGB LED lámpara

En este Instructable demuestro cómo crear una lámpara multicolor controlada vía Bluetooth utilizando un Arduino, el módulo Bluetooth HC-05 y dispositivo Android o Teraterm para ordenadores con Bluetooth. El código para la lámpara actualmente permite
Bluetooth control LED con entrada analógica de LDR para TfCD

Bluetooth control LED con entrada analógica de LDR para TfCD

Pablo Bosch - 4154746Duygu Guroglu - 4519191Este proyecto es una variante de la prueba de RFduino y Android App muestra de Iann (Iann RFDuino prueba App)Reescribió el existente programa de prueba para la RFduino y la aplicación de prueba para Android
CONTROL de 8 LED usando ARDUINO:-

CONTROL de 8 LED usando ARDUINO:-

Espero que tengas tienen práctica mi consiguiendo comenzado con ARDUINO #1 que mostró el control de LED con Arduino.In este instructables te enseñaré cómo controlar 8 Led simultáneamente. así que ¿estás listo para construir un colorido instructables?
Matriz LED proyecto usando cambio de micro registro y pic16f628a

Matriz LED proyecto usando cambio de micro registro y pic16f628a

esto es proyecto para mover palabras en pantalla de matriz de ledutilizamos1-pic16f628a como microcontrolador: barato, 2k de memoria de programa, tiene oscillatror interna, dos puertos A, B y un montón de cosas.2-led matriz 8 * 8 filas de ánodo común