Paso 2: Diseño y lista de piezas

He encontrado este enlace http://www.mikroe.com/en/books/picbook/7_08chapter.htm que dice "Hasta 6 pantallas puede accederse como esta sin el brillo de cada pantalla se ve afectado." Considera esto un desafío y algo que investigar como parte de mi proyecto.
Lo primero que hice, fue agarrar algunos displays de 7 segmentos incandescentes de mi caja y ver cómo funcionan. Malas noticias. Determinadas partes que he seleccionado no se comportan como quería. El segmento luz cuando sea necesario, en el protoboard, pero la corriente de fuga se distribuyó a los otros segmentos de 6. Me di cuenta displays incandescentes no pueden ser el camino a seguir, o que necesitaba para utilizar de una manera diferente. Así que por simplicidad que verificado los LEDs de 7 segmentos tenían en mano trabajo para el diseño y ordenado algunos ánodo común muestra.
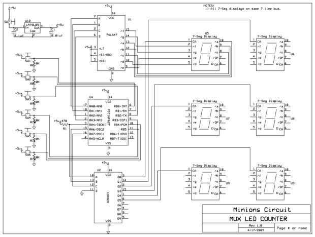
La segunda cosa que necesitaba hacer era mi diseño y comienzo de trabajo en el código de diseño. En la foto es mi circuito. No mucho, como el código en el PIC se encarga de la multiplexación... Uhhh Charlieplexing. Nota: Todas las 6 pantallas tienen la misma línea desde el controlador IC. El selector de IC permite a cada expositor, 1 en el tiempo y las líneas de 7 segmentos se actualizan por el PIC en consecuencia. Idea muy simple.
Después de eso, código y hardware es todo lo que necesitaba.
Lista de piezas
Después de 3 pequeños pedidos de Digi-Key mientras deciden sobre componentes específicos, que tenía todo lo que necesitaba (con algunas cosas en la mano);
1 ~ 3 "x 4" PCB
6 interruptores de botón pequeño (N.A.)
1 74LS47, IC 7-segment display
1 PIC16F627
1 CD4028, 1 del selector 10 IC
6 resistencias de 10KOhm
Resistencia de 1 470 ohmios
1 carrete de alambre. Utilicé varios colores y medidas, pero era solo yo.
1 regulador de 5V 05 78L
1 clip de batería de 9V
1 batería de 9V
1 interruptor pequeño (para encendido y apagado)
Me parece un proyecto moderadamente complejo, debido a;
1) código microprocesador requerido
2) y de diseño
3) optimización del diseño.
Ninguno de estos problemas por sí mismos son demasiado complicado, pero tomarlos en sin ninguna experiencia puede ser abit tanto para el principiante. Un programador hardware es necesaria para quemar el dispositivo soldadura estación, etc....
La primera thng que alguien puede notar es que no el LED de 7 segmentos tienen resistencias serie (limitación de corriente)! Permítanme rápidamente, afirmando que mi diseño original tenía en... pero el paso siguiente para explicación!