Paso 2: Cortar y taladrar metal





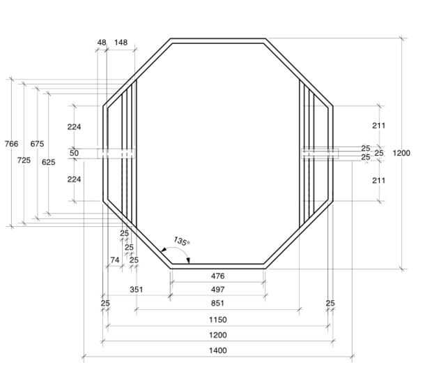
Mis dibujos eran bastante precisos, por lo que he trabajado lentamente, medición de ángulos y longitudes dos veces antes de cada corte. Para cortar, utilicé una sierra de corte en frío estacionaria, una sierra circular que corta lentamente a través de metal mientras se baña la cuchilla y el material en un fluido lubricante que mantiene el material y la cuchilla slick y cool. Es esencialmente una sierra de cortar metal, bien con cortes rectos, nivel, repetibles a través del acero y otros metales. Puesto que todas mis piezas son duplicados de otros, configurar plantillas para cada longitud. Para ello, con abrazadera acero chatarra a pista de la sierra para detener los tubos de acero a una distancia específica de la hoja (véase el cuadro por ejemplo). Usted puede averiguar lo que se necesita de los dibujos que adjunto a este instructivo, pero para simplificar, la lista de corte es el siguiente:
tubo cuadrado de 25mm:
R: 8 base exteriores a 497mm a lo largo del borde más largo, cortes que se inclinan en 22,5 grados cada
B: 2 base interiores a 675mm a lo largo del borde más largo, corte inclinado de 45 grados cada
C: 2 base interiores a 766mm a lo largo del borde más largo, corte inclinado de 45 grados cada
D: 2 Puntales de tambor a 562mm menos el espesor de las placas pequeñas de metal enumeran en materiales (mina fueron 3mm de espesor), Plaza de la cortes a 90 grados
tubo cuadrado de 50mm:
E: 2 a 401mm a lo largo del borde más largo, un corte cuadrado a 90 grados, un corte que se inclinan en 72,8 grados
F: 2 a 260mm borde más largo, uno asomándose en 55.7 grados, uno que se inclinan en 72,8 grados (ver dibujo de aclaración)
Cuando corte, asegúrese de sujetar la pieza eres super super de corte ajustado y esperar hasta que el fluido de corte fluye sobre la pieza.
Después de cortar todo, quite las rebabas sus bordes corriendo fuerte, recién corte los bordes sobre una lijadora para solo un segundo cada uno, o hasta que no más fuertes. Esto es salvar sus manos (y el que la señal del murciélago se sentará en el piso) unos recortes dolorosos más adelante.
Finalmente, perfore los orificios que se utiliza para montar el marco en el tambor. Hacerlo con un taladro si tiene uno disponible, pero un taladro de mano también está bien si eres muy cuidadoso taladrar recto/vertical a través de ambos lados de la tubería. Tómese su tiempo y use fluido de corte recto y limpio. Taladro 25mm desde la parte superior (extremo del corte del cuadrado) de los tubos cuadrados de 50mm más largo y en el centro de la más corta, Plaza-terminó 25mm cuadrado de la tubería, usando un poco solo lo suficientemente ancho acomodar su m16 pernos. También Perfore agujeros cerca de los extremos de las cuatro pequeñas chapas que tienes, dejando al menos 30mm de espacio entre los agujeros para luego atar a cualquiera de los extremos de las barras de tambor metálico corto. Usar un poco apenas grande bastante para acomodar sus pernos M12 para éstos.
Probar el ajuste de todo poniendo hacia fuera como va ir juntos. Si está satisfecho, limpie todo su fluido de corte (con if limpiador es necesario) y si es necesario desbarbar los agujeros perforados. ¡ Listo con corte de metal!