Paso 3: Crear su propio Babuino



Descargar Babuino en el Foro de soporte . Necesita inscribirse (gratis, fácil; y si tienes una cuenta de Yahoo, ya está medio camino), entonces usted puede acceder a la página de archivos. La figura de la página de archivos muestra los archivos para descargar. Obtener la referencia de comandos que es un manual completo para el uso de Blocos (que podrá descargar en la siguiente sección) de Babuino. Haga clic en el Firmware para ir a la página con el código - la página de Firmware también se muestra aquí. Haga clic derecho sobre el último archivo .hex y guárdelo en un lugar adecuado. Esto es lo que subiré a tu Arduino.
En realidad subir Babuino a tu Arduino, siga estas instrucciones . Asegúrese de especificar el archivo hexadecimal que subiste con el último firmware, no versión v01.hex. Babuino no es realmente el código de Arduino, pero se puede cargar utilizando el bootloader de Arduino y no daña el bootloader de Arduino. (Para cuando termines con el Babuino, todavía tienes una Arduino.) Para hacer la carga, usted necesitará un adaptador USB a serie. Sparkfun ofrece un agradable uno a un precio razonable si usted no tiene ya uno. Podrás utilizarlo para descargar tus programas de Blocos en Babuino así. Si ya tienes tu Arduino con un puerto serial, a trabajar bien para Blocos/Babuino.
Usted debe saber que el Babuino todavía se está desarrollando, así que mientras que habrá más características en el futuro, todo funciona que usted necesita hacer un robot. Hay corrección de error activo y expansión. Puede unirse a la discusión y aportación en el foro de soporte que usted acaba de firmar para arriba para.
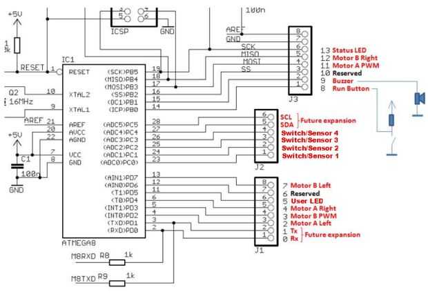
Babuino define ciertos pines de Arduino para realizar ciertas funciones. Estos incluyen controles para dos motores DC, cuatro entradas de interruptor o sensor, un beeper, un puerto serial (el puerto serie de Arduino) para hablar a un pc (Linux, Mac o Windows), un botón de ejecutar (supongo que lo que hace), un Led de usuario y un Led de estado. Sólo los recursos necesarios para un pequeño robot! Se muestra el diagrama de conexión. Necesitará añadir el botón ejecutar, el Led de estado y la alarma a tu Arduino para hacerlo en un Babuino. En el Instructable continuación, voy a explicar más sobre esto (es bastante simple). También le mostraré cómo crear una interfaz para motores de C.C. (más complejo). Si tienes un mínimo Arduino con ningún conector, conectar recursos de Babuino a los pines del procesador como se muestra. De lo contrario, puede usar los conectores estándar de Arduino.
Usted puede construir una plataforma de robot barato siguiendo las instrucciones en esta gran web que muestra cómo construir un clon de Arduino usando una tabla de la chapuza de Radio Shack. Esta versión incluye la interfaz de hardware para tener un Babuino. La imagen muestra la plataforma de robot que puede construir siguiendo las instrucciones proporcionadas. También puede mantener un ojo hacia fuera para mi Instructable Simple de protoboard de robótica (procedente real pronto ahora - realmente!).