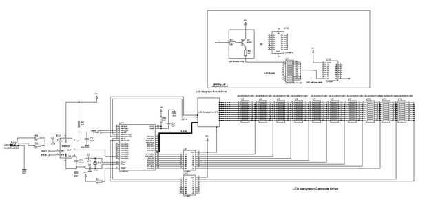
Banda de LED 10 100 MSGEQ7 de atmega32 de espectro de Audio con pico sostenga y caer (2 / 6 paso)

Paso 2: circuito esquema / diagrama de conexiones

Artículos Relacionados

Ciclo de un LED RGB por todo el espectro de color con un Raspberry Pi 2 y cero

Ciclo de un LED RGB por todo el espectro de color con un Raspberry Pi 2 y cero

Actualización de notas Jueves, 25 de febrero de 2016 : He mejorado el programa Scratch y rediseñado mi instructable.Hola chicos, con este proyecto que quise utilizar Scratch para un LED RGB por todo el espectro de color.Hay una carga de proyectos hac
Bandera de LED americano.

Bandera de LED americano.

Ok clase, hoy vamos a hacer una bandera americana de LED. Espero que el juego no causa este no es ningún paseo en el parque. Es broma, no es hasta difícil en absoluto. Bien, comencemos.Paso 1: lo que necesitará.Destornillador.4 - soportes de L.pintur
Super gorra Led de 100 000 micro faradios

Super gorra Led de 100 000 micro faradios

Super condensador con de 100 000 micro faradios está conectado al led con resistor, condensador se carga con corriente continua para un vil, unos 30 segundos y luego el wil led brillo alrededor de 5 minutosAquí teneis fotos de cómo construir estaPaso
Luz led de 100 W

Luz led de 100 W

montado en una caja de alimentación, equipada con un ventilador controlado por un controlador de sensor de calorPaso 1: montalupa era pulida con papel de lija en la parte posterior para centrarse másPaso 2: Abre fácillo que es fácilmente extraíbles t
Clase de 2013 bandera de LED/muestra

Clase de 2013 bandera de LED/muestra

que quería hacer nuestra clase sobresalen más que otros en los rallys de pep, por lo que decidí construir una banner/señal de LED que sería Mostrar la clase de 2013.Paso 1:Materiales:De LEDnúcleo de espumamaderatornillosalambreSoporte y pilas AAinter
LED amanecer / amanecer despertador, luz nocturna y luz seguridad - compatible con Arduino

LED amanecer / amanecer despertador, luz nocturna y luz seguridad - compatible con Arduino

como las noches alargadas gradualmente en otoño 2011, descubrí los placeres del Arduino y pensó que sería una buena manera de implementar algo que he querido durante mucho tiempo - una manera suave para despertar en la mañana de un invierno.  Lamenta
4x4x4 RGB LED Cube

4x4x4 RGB LED Cube

Mucho tiempo atrás encontre un articulo sobre hacer un 8 x 8 x 8 cubos de RGB LED por Kevin Darrah.Esto me inspiro totalmente pero sabiendo a mi esposa me mataría si asumió el control la casa con breadboards que decidí escalar hasta un 4 x 4 x 4 cubo
RGB LED partido luz

RGB LED partido luz

Aquí es cómo usted puede utilizar un LED RGB como una luz de arco iris partido continuamente viajando a través del espectro visible. Lo que se necesita es:-LEDs RGB 1 o muchos-1 tablero de Arduino UNO; puede ser otras placas de la marca de Arduino-un
WS2801 direccionable LEDs clase [C#]

WS2801 direccionable LEDs clase [C#]

anteriormente hice un tutorial sobre cómo tener un ambilight alrededor de la pantalla con el LED ws2801.Ahora podemos controlarlas utilizando c# y arduino.el mismo arduino uno código con la misma conexión de este instructivo:después de conectar la ti
Visualizador de espectro de Audio estéreo 3D

Visualizador de espectro de Audio estéreo 3D

En uno de nuestros anteriores instructables, hemos construido un Arduino basado en visualizador de espectro de Audio con nuestros módulos de matriz de LED bicolor para la pantalla. Usted puede sacar enHace unos meses diseñamos jolliCube, un 8 x 8 x 8
Espejo de infinidad de analizador de espectro audio

Espejo de infinidad de analizador de espectro audio

hay algo fascinante sobre destella luces sincronizadas con música. lol. ¿Por qué no mezclar el efecto con un espejo infinito?Partes:• espejo, espejo falso y un espaciador entre las 2.• 21 cátodo común de RGB LED• 8 x 8 LED Audio Spectrum Analyzer• El
5' 100 luz LED madera Cruz decoración de la Navidad

5' 100 luz LED madera Cruz decoración de la Navidad

Yo había hecho un 5' iluminada estrella para mi hermano de 2" abeto un par de años usando luces de Navidad LED, y me pidió hacer una cruz que empareja. Usé la misma técnica básica de enrutamiento una ruta de alambre en la parte posterior de las pieza
Cubo LED 8 x 8 x 8

Cubo LED 8 x 8 x 8

pantalla 3D crear su propia 8 x 8 x 8 LED cubo!Creemos que este Instructable es la guía más completa paso a paso para construir un 8 x 8 x 8 que LED cubo publicado siempre en los intertubes. Le mostrará todo, desde la teoría de la operación, cómo con
LED Rave Solar compras carro triciclo

LED Rave Solar compras carro triciclo

En este instructivo vamos a tomar un carrito de la compra plástico, llenar su cesta controlable LED personalizado impreso PCB, utilizar microcontroladores PIC18F4550 para mostrar texto y sonido los patrones sensibles sobre los LED, soldar mejor rueda