Paso 5: cableado botón


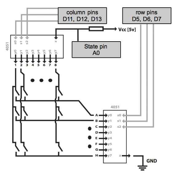
En este diseño, utilizamos 64 botones, que permite todos los 58 fonemas, 2 inflexiones, retardos de 2 y 2 registrar / botones del juego. El shield multiplexor puede soportar tantos botones mediante la exploración de una cuadrícula de 8 x 8 conformada por filas y columnas y comprobar el estado de la fila actual y la columna para formar un circuito completo. Cuando se pulsa un botón, la correspondiente fila y columna para ese botón proporcionará una señal de cero voltios en la salida del mux; de lo contrario será 5V.
El mux soporta 64 botones en un patrón de 8 x 8, que en primer lugar parece imposible dado el trazado en el panel, pero en realidad la ubicación física de los botones no importa - sólo que cada botón tiene su propia línea de fila y columna única. Puesto que hay 8 filas y 8 columnas, hay un total de 16 líneas desde el panel con cable que se conecte al blindaje del mux.
Cableado los botones primero implica cableado cada fila a un conjunto de ocho botones. Si los botones están alineados, puede elegir un lado de las lengüetas de la soldadura (es decir, lado izquierdo) y los primeros ocho botones en proximidad del alambre. Además, la siguiente fila se estar atada a los botones a continuación ocho, y así sucesivamente hasta que todas las ocho filas están conectadas. Esto va de la soldadura de 1/2 de las conexiones como 8 filas con 8 botones. Una vez que las filas están conectadas, utilizan la misma operación para las 8 columnas usando el mismo proceso.
Tenga en cuenta decidir qué fila y columna para cualquier botón determinado resulta difícil de calcular cuando la red no es regular, pero esto se determina fácilmente con algunos estampados de depuración en el código.