Paso 4: Diseño de placa y esquema


* algunos componentes indicados están restringidos por software (fritzing), ver foto real de dibujo, la composición física se adapta mucho más agradable
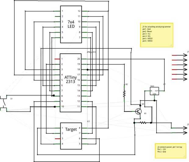
* los dos pasadores verdes son para conectarse a una fuente de alimentación de 12V. Yo uso una batería de 12V A23 pero sólo puedo encontrar un soporte de la batería de 2xA23. Usted puede usar lo que está disponible para usted.
* las seis clavijas rojo ubicaciones aproximadas para una conexión de programador ISP, usted tendrá que conectar el 2 º (de izquierda) a la clavija 1 (RESET, cable azul) de la tiny2313 durante la programación. programación en circuito es un golpe y miss, ya nuestras programación pines están conectados a muchos dispositivos. por lo menos, usted necesita quitar el módulo led antes de intentar programar moda isp. Si falla, deberás quitar 2313 y tenerlo programado fuera de circuito.













