Automático regulador persiana Horizontal accionado Solar (4 / 8 paso)

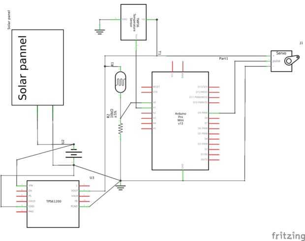
Paso 4: Una tentativa en el circuito de

Ignorar la (mal escrito!) Circuitos de Panel solar y de refuerzo a la izquierda - Fritzing no parece tener lo que quería, y yo no he pasado el tiempo para averiguar cómo añadirlo.

Artículos Relacionados

¿Persianas de la ventana automático regulador (PICAXE)

¿Persianas de la ventana automático regulador (PICAXE)

desea construir una ventana motorizada persianas regulador por unos $15.00? Aquí es cómo. Me gusta tener macetas plantas y verlos crecer, pero asegurándose de obtiene suficiente luz puede ser un desafío. Tengo una librería frente a la ventana de mi d
Un automático de seguimiento solar motorizado ventana ciega adaptación utilizando Arduino

Un automático de seguimiento solar motorizado ventana ciega adaptación utilizando Arduino

Cuenta edificios de 20-40% del total de energía utilice en los países desarrollados. Cortinas de ventana (o persianas) pueden ayudar a reducir la energía del edificio uso y mejorar el confort visual (es decir, reducción de fulgor y aumentar la luz de
Automático Solar Powered invernadero sistema de riego

Automático Solar Powered invernadero sistema de riego

Solía molestarme que dividiría mi tomates debido a la falta de agua mientras estaba en el trabajo, así que decidí construir un sistema de riego automático para que esto no podría suceder! Yo quería que fuese solar alimentado por lo que no tengo que c
BRICOLAJE solar recargable automático luz de la noche (fuera de uso)

BRICOLAJE solar recargable automático luz de la noche (fuera de uso)

En esto le mostrará cómo hacer una luz de noche led automático recargable solar. Hice mío para uso exterior pero hey usted podría hacer cualquier cosa con el suyo! :)¿Cómo surgió esta idea? primero he significado para obtener a algún tipo de artefact
Regulador automático de Led escaleras

Regulador automático de Led escaleras

esta instrucción es cómo reuní mi regulador automático de escaleras condujo.¿Qué es un controlador de LED de escaleras?El video muestra cómo funciona!ComenzarPaso 1: La idea Muchos de ustedes ya han visto tales reguladores y mucha gente montado algo
Circuito de regulador de luz de baño automático

Circuito de regulador de luz de baño automático

este es otro circuito muy útil en nuestra vida real llamado Circuito de controlador de luz de servicio automático. Nos ayuda en apagar automáticamente encendido/apagado las luces del baño según la situación, es decir si una persona entra en el baño,
Unidad de aire acondicionado accionado solar.

Unidad de aire acondicionado accionado solar.

Mayoría de la gente le gustaría tener sus hogares enfriados por la fuerza del sol que irónicamente hace calor. ¿Cómo lograr energía de enfriamiento de su residencia aprovechando la luz del sol?He implementado con éxito una unidad de aire acondicionad
Barco piloto automático - basado en Arduino

Barco piloto automático - basado en Arduino

Aquí es cómo construir un piloto automático que puede dirigir un RC barco a waypoints! Es fácil de construir, basado en la popular plataforma Arduino e ideal para aficionados que quieren alguna soldadura práctica! Con este piloto automático, un barco
Casa gato accionado solar

Casa gato accionado solar

Independiente casa de invierno para un animal doméstico en climas moderados y fríos.Aislamiento de características, calefacción por suelo radiante alimentado por una batería de carga solar 12v y ventilador (opcional) en un circuito activado por un se
ROCIADOR automático ganado caseros para CONTROL de moscas

ROCIADOR automático ganado caseros para CONTROL de moscas

He hecho un rociador automático para ganado y está funcionando muy bien.Voy a describir cómo lo hice y más adelante Haz algunas fotos y publicarlos aquí. Se instala remotamente y me olvidé de traer una cámara al terminar la instalación.La lista de pi
Sistema de riego automático con sonda capacitiva y Arduino en el barato (y serio)

Sistema de riego automático con sonda capacitiva y Arduino en el barato (y serio)

Descargo de responsabilidad: Yo no soy un ingeniero en electrónica, por lo que no puedo ofrecer ninguna garantía para el diseño (mucho menos para su implementación). Sólo sé la presentó solución trabajada para mí por lo menos unos 5-6 meses (por lo q
La hidropónica, automáticos, redes, clima controlado invernadero proyecto: Construcción

La hidropónica, automáticos, redes, clima controlado invernadero proyecto: Construcción

este Instructable cubrirá la construcción de mi hidropónica, automáticos, redes, proyecto del invernadero de clima controlado. La fase de construcción del proyecto cubre las zapatas de hormigón, la estructura y el acristalamiento del invernadero.Cont
CONTROLADOR de nivel de agua automático $1

CONTROLADOR de nivel de agua automático $1

Hola amigosAhora estoy con otro proyecto llamado regulador automático de nivel de agua $1.Es un circuito de conmutación automática que utiliza para controlar una bomba de agua AC. Funcionamiento de este circuito es simple.wen que el nivel del agua va
Arduino automático sistema de riego

Arduino automático sistema de riego

En esta guía de Instructables voy a mostrar cómo hacer tu propio - Arduino-automático de riego para tu flor de "escritorio" (o planta). Todo el procedimiento es muy sencillo y se puede completar a esta guía en 30 minutos.El objetivo es regado au