Paso 1: Descripción general del hardware 3EEPROM



Circuito

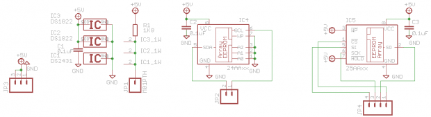
[PNG]. Hicimos el circuito y PCB usando la versión gratuita de Cadsoft Eagle. Usted puede descargar el esquema y PCB desde el archivo de autobús pirata SVN.
El PCB de 3EEPROM tiene una EEPROM de 1-Wire DS2431 (IC1), un 24AA - I2C EEPROM (IC4) y una EEPROM 25AA-SPI (IC5).
El DS2431 (IC1) extrae energía parasitaria del bus 1-Wire, no tiene un pin de fuente de alimentación externa y no requiere un capacitor de desacoplamiento. IC2 y IC3 son vacíos para otros dispositivos 1-Wire, como otro DS2431 o un sensor de temperatura DS1822. C1 (0.01uF) es opcional y sólo si IC2 o IC3 se rellenan con un potencia dispositivo 1-Wire.
1-wire requiere un resistor de pull-up fuerte, un máximo de 2,2 kohms. Resistencias de pull-up a bordo de los autobuses piratas son 10K, demasiado débil para alimentar correctamente el DS2431 durante escribe. La Junta de 3EEPROM explorer incluye un 1,8 k ohmios, 1/8 watt resistor de pull-up (R1) en el bus 1-Wire para que ningún resistor de pull-up adicional es necesario.
La 24AA-(IC4) y 25AA (IC5) cada uno haz un 0.1uF condensador de desacople de la alimentación (C2, C3). Probablemente no necesite los condensadores en un circuito tan simple, se omite de la placa de prototipo en la manifestación. El bus I2C utilizado el 24AA - también requiere resistencias pull-up, pero resistencias de pull-up del Bus Pirate a bordo de 10 K ohm son suficientes.
Todos los componentes funciona de 2.8volts a 5volts DC. El circuito se alimenta a través de los pines VCC y GND del puente 3. Hay dos pines VCC, uno es por el poder, el otro es para la tensión de pull-up resistor de entrada pin (Vpullup del Bus Pirate).
PCB
Hicimos el circuito y PCB usando la versión gratuita de Cadsoft Eagle. Usted puede descargar el esquema y PCB desde el archivo de autobús pirata SVN. Si desea un profesional PCB o kit 3EEPROM, seamos capaces de arreglar una compra de grupo si 10 o 20 personas.
Lista de piezas
R1 resistencia de 1800 ohm (1/8 watt)
C2, 3 0.1uF condensador / 10volts +
JP1-4 0,1" jefe del pin macho
IC1 DS2431 1K EEPROM 1-wire a-92
IC4 ** 24AA014-I/P I2C EEPROM DIP8
IC5 ** 25AA010A-I/P SPI EEPROM DIP8
ICS4, 5 8 pines zócalo DIP para IC5, 6
** IC4, IC5 podrían ser cualquier tamaño, tenemos vinculados a pequeñas virutas, utilizamos 128bytes y 128Kbytes.
No podía incluir algún formato y tablas HTML en un Instructable, usted puede ver el original post en el blog de prototipos peligroso.