Paso 5: La electrónica





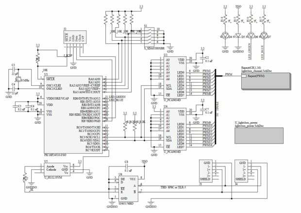
Los requisitos para cada dimmer era simple: usar una señal DMX para controlar dieciséis cadenas de LEDs.
Energía
Aunque una fuente de alimentación modo conmutado moderno es mucho más eficiente, hemos decidido quedarnos con una fuente de alimentación lineal simple. La alimentación tiene tres secciones principales: una fuente de receptor RS-485 aislada, una fuente de microcontrolador y la fuente del controlador de LED.
La entrada DMX del tablero del circuito usa una fuente independiente de voltaje para alimentar un chip receptor de RS-485 y está totalmente aislada a través de un optoacoplador. El microcontrolador tiene su propia fuente de V 3.3, pero comparte un negativo común con los conductores del LED.
Nosotros decimos no "masa" y "negativos" porque los controladores de LED son accionados directamente por el unisoltated, rectificaron red V 115. El carril negativo tiene una 80 V potencial respecto a tierra. Definitivamente no es el mejor diseño, pero elimina la necesidad de un transformador de aislamiento voluminoso y costoso capaz de encender todas las luces. Un resistor del sangrador conectado en el condensador principal segura drena cualquier carga residual.
Datos
El chip del receptor RS-458 convierte la señal diferencial a UART, que es leída por el puerto serie del microcontrolador. Se utilizó un PIC18F24 para decodificar el Protocolo DMX. DMX es un protocolo estándar de la industria para el control de luces teatrales, nuestro circuito totalmente compatible con el equipo existente. Cinco interruptores DIP que nos permite seleccionar cual de las 512 direcciones en el universo DMX las luces responderá a.
Desde el microcontrolador, se abordan dos controladores de LED PCA9624 con el protocolo I2C. Estos controladores de salida una señal PWM para cada uno de los 16 canales de luces. Cada canal se amplifica con un controlador de FET y finalmente un MOSFET grande. El resultado puede conducir a una cadena de LEDs y es totalmente regulable con ocho bits de resolución.
Para realmente controlar nuestras luces, hemos utilizado un programa llamado controlador de luz Q y un USB para interfaz DMX. Nuestras luces fueron ordenados con esmero a la música, coreografiando un espectáculo visualmente estimulante. Este fue uno de los más largos procesos en todo el proyecto, pero al final se pudo iniciar el espectáculo con un solo golpe de teclado.