Paso 2: Circuito & partes


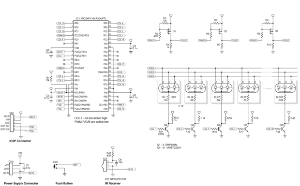
Lista de piezas
- 4 x 47 ohmios (0603)
- 324 x 150 ohm (0603)
- 18 x 220 ohm (0603)
- 21 x 1 k ohmios (0603)
- 4 x 10 k ohmios (0603)
- 3 x 0.1uF (0603)
- 2 x 10uF (1206)
- 1 x 47uF (1210)
- 3 x DMP3098L (MOSFET P-ch)
- 18 x MMBT2222A (transistor NPN)
- 1 x PIC24FV16KA304 (* se necesita un programador PIC como PICKit 3, ICD2, ICD3 al programa PIC24FV16KA304. PICKit 2 no es compatible con esta nueva PIC.)
- 1 x GP1UX311QS o equivalente (receptor remoto IR)
- 1 x interruptor táctil
- 324 x LED Tricolor (cátodo común)
Receptor remoto infrarrojo
Aurora 18 x 18 reconoce el protocolo de control remoto de TV Sony. Protocolo de Sony pasa a ser uno de los más fáciles de implementar en el firmware. También es uno de los protocolos más compatibles. Prácticamente todos los controladores de control remotos universales soporte Sony TV.
Estoy planeando hacer otro protocolo como en el futuro aunque.
[Referencias]
- IR a Control remoto en Wiki
- Teoría de Control remoto IR - información reclasificación IR control remoto con microcontrolador