Paso 1: Más problemas




Herramientas: DMM (Multímetro Digital). Hay formas de solucionar problemas sin uno pero yo no las conozco. He incluido un paso separado sobre cómo utilizar un DMM.
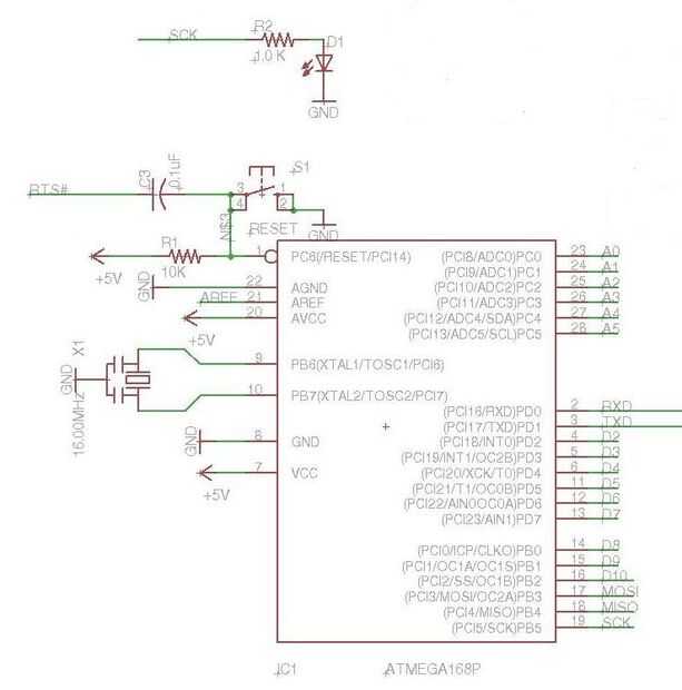
La primera imagen es un esquema. Esto está tomado de un clon Anarduino (Arduino) y todo lo que se necesita para hacerlo parpadear muestra. Los mismos requisitos se aplican para cualquier Arduino. La segunda foto es el Anarduino sí mismo. Todo en el esquema está en el Anarduino. (Quitar algunos de los componentes de esquema para simplificarlo)
Esquemático: es una representación eléctrica de un sistema electrónico generalmente con símbolos. Los símbolos representan los componentes en el PCB. Las líneas que unen los símbolos (componentes) son los rastros metálicos (alambres) en la PCB.
INFO: El microcontrolador del chip ATmega es el 'cerebro' de la Arduino. Vea la foto.
Abrir y cerrar los requisitos son:
+ 5V en el pin 7 del ATmega
Tierra en el pin 8 del ATmega
+ 5V en el pin 1 del ATmega (pin de Reset. Si es baja, el microcontrolador no funcionará)
Oscilación de 16MHz en pernos 9,10 del ATmega
Bosquejo de Blink en el ATmega
El resistor/LED conectado al pin 19 del ATmega.
INFO: resonador de cerámica oscilador de cristal de 16 MHz genera el 'latido' del ATmega. Básicamente, dice el ATmega para ir de un paso a la siguiente en un sketch de Arduino. Sin ella, el ATmega solo se sentaba allí.
Punta: Algunos de ustedes pueden haber notado que el bosquejo de Blink se refiere al pin Digital 13 pero el LED está conectado al pin de ATmega 19. Bien, el equipo de Arduino decidió sus conexiones analógica y Digital el número en secuencia y llaman pernos. Para viejos contadores de tiempo como yo, creo que de pernos como pasadores de IC por eso os deseo que les hubiera llamado algo más.
INFO: En el esquema, el ATmega perno 19 aparece como SCK. Si vas a la parte superior del esquema, también verá una etiqueta SCK conectada a una resistencia y un LED. Cuando 5V en el pin 19, el LED debe encenderse.
Información: cada vez que vea una línea en un esquema con una etiqueta, que significa que está conectado en algún otro con la misma etiqueta. Algunas etiquetas, como toma de tierra pueden tener varias conexiones. Etiquetas hacen diagramas fáciles de leer. Imaginemos incluso este esquema simple con todas las etiquetas conectadas.
Solución de problemas:
3.1 el primer paso es conectar el Arduino hasta poder y asegurarse de que está recibiendo para el ATmega.
Establece tu multímetro en voltios DC con rango superior a 5V.
Con cuidado Mida la tensión del pin 8 a pin 7 en el chip. Debe ser alrededor de 5 voltios. Si no, entonces vaya al siguiente paso Instructable. En mi configuración particular usando el USB, mi 5V es sólo 4.85V. Esto está bien.
3.2 Verifique el voltaje en el pin 1 del chip. También debe ser alrededor de 5 voltios. Si es 0 voltios, revise todos los componentes en el pin 1. Los problemas más probables sería el interruptor de reinicio instalado 90 grados apagado o un interruptor defectuoso.
3.3 es más difícil para saber si está funcionando el circuito oscilador. Si el DMM tiene una frecuencia (Hz) ajuste usted podría ser capaz de medir la frecuencia (16MHz). Mi DMM tiene un ajuste de la frecuencia pero al parecer no va ese alta.
Estoy bastante seguro de que lo siguiente funcionará. Medir el DC el voltaje del pin 8 o cualquier tierra al pin 9 y 10. De ellos debe ser mayor que 0 pero menor que 5V. Tengo un Arduino con un cristal que mide 0.14V y 1.25V y uno con un resonador que mide 0.79V y 0.58V. Si uno o ambos lados están en 0V o 5V entonces probablemente no es oscilante. Si todas las conexiones están bien, entonces es probablemente un mal cristal o resonador como los condensadores pequeños raramente fallan.
3.4 aquí es un pequeño truco para ver si está ejecutando el programa Blink. Conecte su DMM a tierra y ATmega pin 19. La tensión debe ir desde 0V hasta 5V y cada segundo de nuevo. Si esto no funciona, entonces tu ATmega probablemente no está programado o está dañado. Reprogramarlo o si tienes otro, pruébalo.
3.5 Si esto está funcionando, Compruebe la parte superior de la resistencia (en este caso R2). También debe cambiar de 0 a 5V. Si se mantiene en 0V entonces usted tiene una conexión abierta entre el pin 19 y la resistencia.
3.6 Verifique la tensión en el otro lado de la resistencia. Si está cambiando de 0V a 5V, entonces el LED está al revés o es abierto. Si es 0V entonces tu LED está probablemente en corto. En un circuito de trabajo, debe cambiar para 0V a 1.5V aproximadamente.
Tiene encontró su problema ahora y fija u ordenó a las partes.