Arduino juego Arcade de disparos (17 / 25 paso)

Paso 17: Conectar matriz y IC

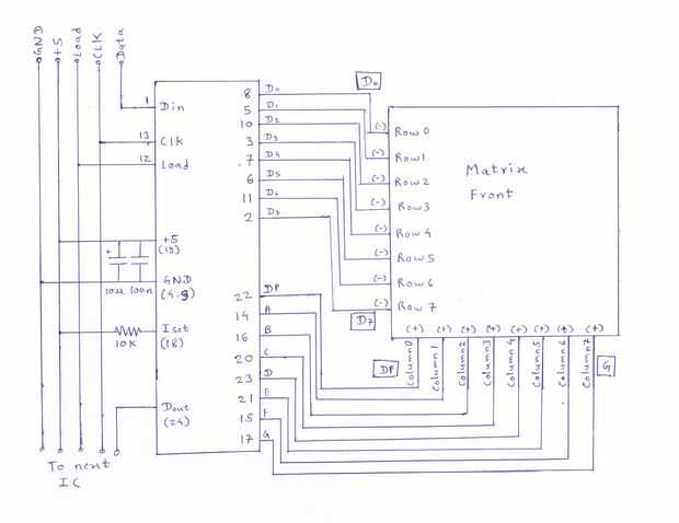
Esta es la parte principal y poco poco complicado - conectar filas y columnas a IC

  • Fila 0 (fila superior) - Dig 0
  • Fila 7 (fila inferior) - 7 Dig
  • Columna 0 (columna izquierda) - DP seg
  • Columna 7 (columna derecha) - seg G

(superior, inferior, izquierda y derecha cuando visto del lado frontal LED - consulte imágenes)

Artículos Relacionados

Mostrar la puntuación más alta digital para sala de juegos / Arcade

Mostrar la puntuación más alta digital para sala de juegos / Arcade

Desde que estoy en el medio de crear mi casa sala de juegos / arcade, quería ser capaz de mostrar de todo el mundo alta puntuación para varios juegos jugados en los Arcades. Utilizando un marco de fotos LCD digital segunda mano, pude crear «Puntaje a
Botón de Arduino juego

Botón de Arduino juego

Este es un juego de LED de dos jugadores.¡ Mira el video.Paso 1: Lista de piezas1 nano x Arduino2 x botónresistencia 12 x 220 ohmios5 x LED rojo (su deseo)5 x LED verde (su deseo)1 x protoboard o placa perforada, como usted prefiera1 Cable de x USBy
Red de Arduino juego

Red de Arduino juego

Hay varios arduino basado juego-pad como Arduboy, Gameby Gamebuino. Puede hacer y jugar estos juego-pad. Estos son sólo un solo jugador pero recuerden que también puede hacer y el arduino red juego!!!!Este documento muestra cómo construir el juego de
Disfraz juego Arcade de Pacman jugable

Disfraz juego Arcade de Pacman jugable

Este Halloween mis hijos decidieron que querían ser Pacman por lo que simplemente no podía pasar la oportunidad de ser el juego de arcade para que coincida con. ¿Ahora un traje de juego de arcade es muy bueno en su propio, pero uno que puede jugar re
Asteroide de Arduino juego

Asteroide de Arduino juego

Este es un juego de Arduino.Lo que usted necesita1. arduino uno o mega2. arduino software3. 2 con el potenciómetro4. acelerómetro de 6 pines5. un montón de alambre6. protoboard7. 16 x 2 pantalla de arduino aprobadoPaso 1: Todo lo que necesitas hacer
Gabinete - old skool de juego arcade juegos de Arcade

Gabinete - old skool de juego arcade juegos de Arcade

Rio - El Blog de clase queEste instructable es para aquellos de ustedes que les gusta el juego pero perdiste o quieres revivir los tiempos donde las máquinas de succión moneda adictivo sobre el juego de la cadena alimentaria.Ya hay un par de instruct
Arduino + juego de fábrica de Rover

Arduino + juego de fábrica de Rover

en este Instructable va a dar usted instrucciones paso a paso sobre cómo interfaz del Arduino, un controlador de Motor (L293D), y un ordenador portátil para hacer un Wifi controlado rover puede conducir alrededor de su casa o trabajar desde cualquier
Presión de LED Arduino juego

Presión de LED Arduino juego

Este es el primer proyecto de Arduino que he creado yo mismo. Yo tenía un montón de LEDS y un sensor de presión, así que pensé que haría un pequeño juego. Cuanto más se apriete el sensor de presión, el enciende para arriba en una fila LEDS más. Si en
Arduino juegos Stick héroe

Arduino juegos Stick héroe

¿Eres un fanático del juego? ¿Quieren al comienzo de la gran lista de puntuación? Si su respuesta es sí, que estás en el lugar correcto.¿Todo esto se logra con usted sentado inactivo y el teléfono haciendo el hablar? Sí se puede hacer y le mostraremo
Arduino juego no paso de la manzana blanca"

Arduino juego no paso de la manzana blanca"

Hola todo el mundo!En este tutorial te mostraré mi robot rápido-hecho que puede jugar en el teléfono. Yo estaba haciendo esto para la escuela sólo para demostración, este proyecto aún necesita mejoras en hardware y el programa tiene algunos fallos, e
Arduino - juego de memoria

Arduino - juego de memoria

Un simpel-juego de memoria utilizando el Arduino Uno.Paso 1: Paso 1: piezas y herramientas4 botones4 LED1 registro de desplazamiento 74HC5951 Piezo2 (tal vez uno más grande) protoboard1 Arduino Uno1 220 Ω Res.Paso 2: Paso 2: consejosIntente poner el
Tarjetas RFID de Arduino (juego que empareja)

Tarjetas RFID de Arduino (juego que empareja)

¿Quieren una manera lujo aprender con sus hijos a estudiar para el examen? Con un escudo de RFIDuino, una pila de tarjetas flash y un montón de etiquetas RFID, puede hacer un sistema de tarjeta de memoria flash que da retroalimentación y refuerzo al
LED Arduino juego

LED Arduino juego

este es mi juego de led que te voy a mostrar cómo hacer.Paso 1: Lo que usted necesita You needArduino unoMini USB a USB estándarMac o windowsProtoboardLEDInterruptor del tacto4 x 33 ohm + 1 x 10kohm resistenciasCables de puentePaso 2: Cómo la placa d
Arduino - juego el Piezo

Arduino - juego el Piezo

jugar el Piezo.El objetivo de este proyecto es generar música a través de movimiento gracias a los acelerómetros.-Acelerómetro de 3 ejes 1-1 tarjeta de arduino-1 altavoz-capaz de desafiar el sonido de la mierda del altavoz a 1 cancionesEl código es b