Paso 13: MAX 7219 conexiones


Así que ahora vamos a movernos hacia la exhibición de los circuitos.
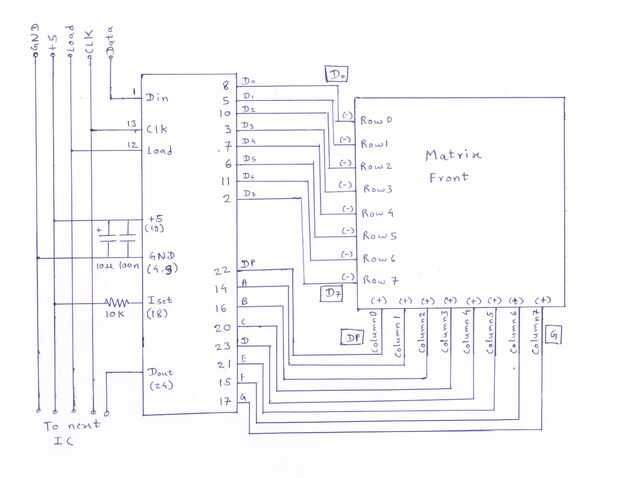
7219 IC es un IC de 24 pines. Funciona con 5V.
Son pins de 7219-
- DIN - toma datos de arduino o de 7219 anterior.
- CLK - conectado a arduino.
- Carga - estos pin también está conectado a arduino.
- Duda - manda datos a 7219 siguiente IC
- segDP, segA, segB.... segG - estos son + ve fija es decir. pernos de la fuente. Éstos están conectados a anodes(+ve) ot los LEDs. Puede suministrar 40mA máximo por pin. No hay necesidad de resistencia en serie para limitar corriente. Estos pines se conecta a columnas de la matriz.
- DIG0, DIG1, DIG2.... DIG7 - son pins - ve. Están conectadas a cathodes(-ve) de los LEDs. Estos pines se conecta a las filas de la matriz.
- + V o + 5 - + 5volts pin del IC de la fuente
- GND - pernos de tierra del IC
- Iset - este pin es importante. Controla el brightness(current) de LEDs. Hay dos opción en este IC para control de brillo 1) en el programa puede ajustar brillo 2) cambio de resistencia en este pin. Generalmente resistencia de 10K Ohm se conecta entre este pin y la fuente. Debe tenerse cuidado al seleccionar la resistencia, puede dañar el IC debido sobre corriente.
Conexiones-
Este IC no requiere mucho componentes. A sólo 2 condensadores (100uF electrolítico y disco normal de 10nF) entre la fuente y tierra. Una resistencia de 10 K Ohm al pin del Iset.
segDP a los pines de la segG están conectados a las columnas de matrix(+ve) y Dig0 a Dig7 pines se conectan a filas (-ve)
Duda se saca para el siguiente IC.
Usted puede conseguir fácilmente el datasheet del IC 7219 en red.