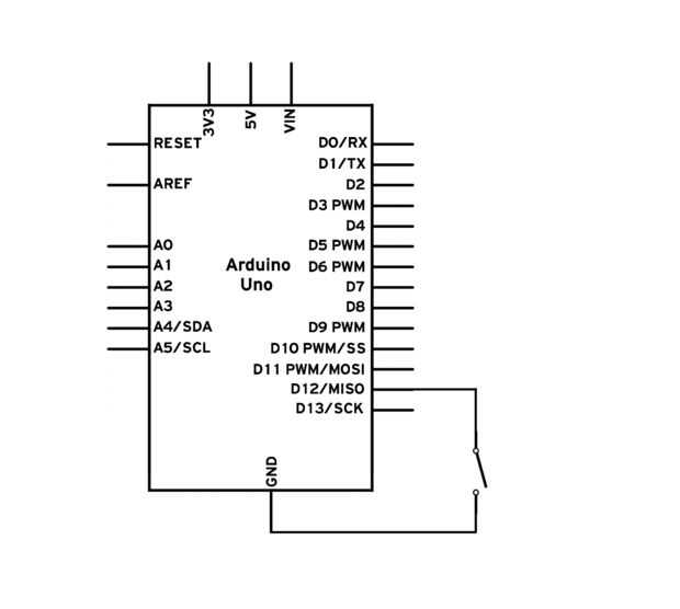
Paso 1: Cómo conectarlos


Simplemente conectar el Arduino GND a un terminal en el botón y conecte un pin digital para el botón terminal. En este ejemplo hemos utilizado el pin 12. Verificar el esquema y aplicación de "breadboard".
Para más botones con los terminales por-agujero estándar, podemos entrar directamente las clavijas en los terminales en el Arduino.