Antena de TV de OTA controlado por ordenador. (12 / 12 paso)

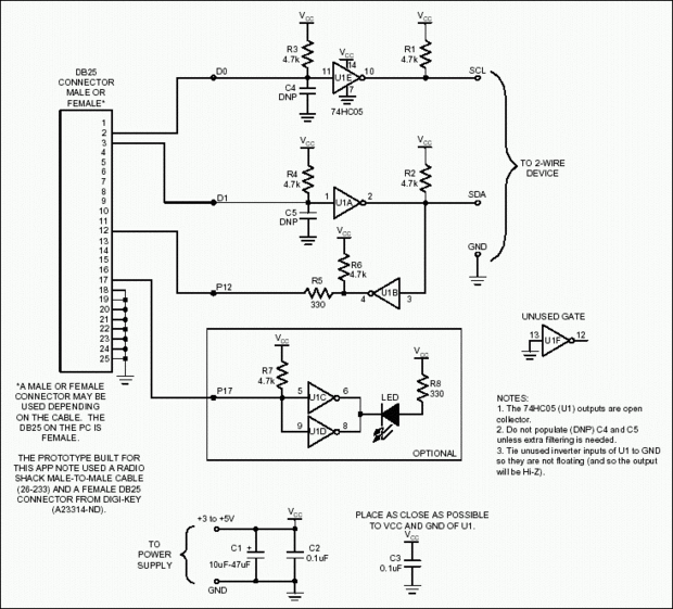
Paso 12: Interfaz i2c abandonados.

Se va a utilizar el puerto paralelo pero la vga parecía mucho más fácil.

Artículos Relacionados

Conversión de Monitor VGA divisor en controlado por ordenador Monitor Switcher

Conversión de Monitor VGA divisor en controlado por ordenador Monitor Switcher

este instructable explica cómo un barata (20 euros) monitor VGA divisor que se utiliza para conectar una PC a monitor dos se puede convertir en un conmutador de monitor controlado por ordenador. El dispositivo final es controlado mediante el puerto p
Semáforo controlado por ordenador

Semáforo controlado por ordenador

Hice este semáforo controlados de ordenador para mi trabajo mostrar el estado del software que construir, pero ahorraré los detalles. También fue mi primer proyecto inicio con un controlador PIC.El semáforo es usar un viejo semáforo de Ikea destinado
¿Interruptor controlado por ordenador

¿Interruptor controlado por ordenador

desea cambiar un tomacorriente entre encendido o apagado con el ordenador? ¿Por qué hacerlo con un mando a distancia? Suena nice - sé. Pero lo mejor es que puede hacerlo todo, y esto le dirá cómo..."¿Por qué querría encender una toma de corriente o i
Luces de Navidad Musical controlado por ordenador

Luces de Navidad Musical controlado por ordenador

en este Instructable, voy a enseñar todos los pasos básicos de cómo construir tu propio ordenador controlado musical luces de Navidad. Esta configuración es muy simple y común. Dentro de unas horas, también puede crear su propia exhibición ligera par
Controlado por ordenador luces de Navidad con luz-O-Rama

Controlado por ordenador luces de Navidad con luz-O-Rama

¡ Bienvenido a mi guía paso a paso sobre cómo hacer una increíble pantalla de luz de Navidad! Yo le guiará a través de todos los pasos desde la planificación hasta oprimir start. Vamos a empezar!Paso 1: Introducción y pensando en el futuroEn primer l
Candypult--controlado por ordenador catapulta Candy

Candypult--controlado por ordenador catapulta Candy

Este proyecto está diseñado para atraer a personas que les gusta candy y son vagos--un grupo grande (de más de una forma?).Una catapulta eléctricos carga automáticamente un pedazo de caramelo desde el dispensador de la torre.  Al comando del control
Coche del RC con dos Arduinos controlado por ordenador

Coche del RC con dos Arduinos controlado por ordenador

piezas necesarias: este proyecto requiere de dos placas de Arduino que pueden ser adquiridos en http://www.adafruit.com/category/17Este proyecto utiliza dos placas compatibles de Arduino Uno.Se necesitará un L293D u otro chip de controlador de Motor
Controlado por ordenador Arduino

Controlado por ordenador Arduino

¿Que siempre quisiste controlar Arduino con un programa de ordenador que puede manejar un completo interfaz gráfico? Seguramente la mayoría dirá que sí, pero una GUI completa toma el trabajo duro. Necesita saber lo básico de todo antes de hacer todo
Controlado por ordenador Star

Controlado por ordenador Star

En este instructable voy a mostrarte cómo crear una estrella con 64 LEDs. La estrella de la opera por sí mismo pero puede cambiar el modo de funcionamiento cuando se conecta a una computadora mediante una interfaz en serie (RS232). Después de volver
Construir un transmisor de radio controlado por ordenador

Construir un transmisor de radio controlado por ordenador

esto le permitirá enviar código morse a través de las ondas de radio a otro equipo. Esto podría utilizarse como una especie de programa de chat.Paso 1: Reunir suministros Necesita muy pocas fuentes:-Un oscilador de cristal (se hablo de que la clase e
Luces de Navidad de CC de bajo voltaje había controlado por ordenador.

Luces de Navidad de CC de bajo voltaje había controlado por ordenador.

ADVERTENCIA: no utilizar o conectar luces de potencia de WALL(120 or 240 volt) (o cualquier cosa que se conecta a un enchufe de pared o similares). CON ESTE MONTAJE. Hay peligros de fuego y muerte inminente si. SÓLO USO 3 VOLTIOS DC PILAS LUCES. Use
Luces de árbol de Navidad parpadea música sincronizada controlado por ordenador

Luces de árbol de Navidad parpadea música sincronizada controlado por ordenador

Relés de estado sólido de uso a parpadear las luces de su árbol de Navidad en tiempo con la música. También bueno para Halloween haunted casas.Paso 1: Adquirir y configurar un árbol de NavidadHaz un bonito árbol grande y saludable ante sus ventanas m
Controlado por ordenador sistema de iluminación del hogar

Controlado por ordenador sistema de iluminación del hogar

El objetivo principal de este proyecto es demostrar el control de luces de casa (220 V AC) con la ayuda del programa informático. La base proporcionada por este proyecto puede ampliarse fácilmente para crear sistemas más complejos que le permitiría c
StrobeDuino - lámpara del estroboscópico/RGB controlado por ordenador

StrobeDuino - lámpara del estroboscópico/RGB controlado por ordenador

después de experimentar con Arduino y procesamiento de comunicación serial que quería hacer algo fresco. Tuve algunos LED RGB ahí así que pensé en hacer algo con ellos. Terminé con una lámpara del estroboscópico/controlada por un esquema de procesami