Paso 9: El diseño completo

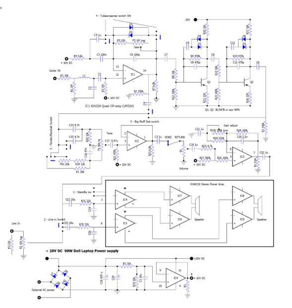
La etapa de entrada también hace que el circuito de Tubescreamer. Puesto que no hay ninguna función de bypass, excluye la etapa de búfer de entrada del Tubescreamer. El Tubescreamer interruptor enciende el circuito de diodo y apaga C4 para obtener el alto filtro de paso corte a 720 Hz. (R4 y C3 conectado a IC1). En posición normal, la frecuencia de paso alto es 72 Hz. ganancia es ajustable aproximadamente de 10 a 100 veces que es suficiente para guitarra normal pick ups. El rollo de frecuencia por C6 y R5-R6 se baja como se aumenta la ganancia para obtener un corte más suave.
El manguito grande distorsión las etapas (etapas de dos transistores) se implementan con los valores originales del componente. He añadido un interruptor PCB (circuito impreso) para poder seleccionar sólo la primera etapa de manguito grande. Como se puede ver, el Tubescreamer y manguito grande pueden activarse simultáneamente, pero sin efecto notable. Manguito grande ya ha convertido a todo en una onda cuadrada.
La etapa Buffer y la última etapa del preamplificador no es nada especial. Ganancia es ajustable, pero eso es sólo porque el Consejo original había una maceta de adorno. La salida de la etapa de buffer puede ser golpeado ligeramente apagado como eco de envío y retorno. Yo no pude resistir la tentación de separar las etapas de salida estéreo para permitir que dos fuentes de señal y dos altavoces. La toma de entrada adicional se coloca en la parte trasera del amplificador. El nivel de entrada se puede ajustar con un pote y se alimenta directamente en una de las etapas de potencia.
La etapa de amplificador de potencia no se modifica. En las salidas de altavoz tengo conectores de la tele para que puedo conectar altavoces externos y desconectar el altavoz interno (o usar uno externo y una bobina de altavoz interno).
El amplificador también puede ser batería o alimentada a través del puente existente de diodo de entrada de CA.
Algunas notas: la numeración de los componentes se realiza mediante el programa de dibujo DIYLC-3.28 circuito (https://code.google.com/p/diy-layout-creator/w/list) y no corresponden a la numeración de los PCB.
Componentes que no hace ningún daño se ha mantenido en el tablero, por ejemplo, L1.
Todos los diodos son 1N4148 o 1N914.