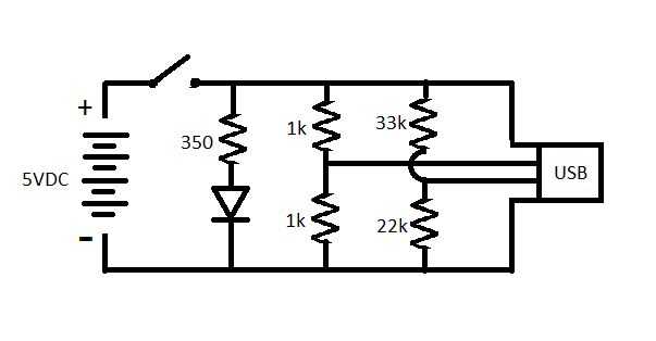
Paso 5: Soldadura componentes a Junta




Códigos de color:
Rojo: resistencias de k 1 (estos pueden ser casi cualquier tipo de resistencias que desee como son lo mismo).
Azul oscuro: 33 resistencia de k (también puede ser k de 3,3 o 330 como cambias tu 22k en consecuencia)
Púrpura: resistencia k 22
Amarillo: Cable del USB #1 pin (cable rojo del "paso 2")
Verde claro: Cable del USB #2 pin (cable negro del "paso 2")
Verde oscuro: Cable del USB #3 pin (cable amarillo del "paso 2")
Rosa: Cable del USB 4 pin (cable blanco del "paso 2")
Luz azul: Positivo de células solares (usar un diodo de bloqueo antes de este punto)
Naranja: Negativo de plomo de celdas solares
+ : Positivo del interruptor
- : Negativa con el conductor del interruptor de
Gris: esto es sólo una forma de indicar donde tienes que salvar estas conexiones.