Paso 4: Esquema de circuito

El suministro de energía, utilizar uno con una tensión algo mayor. Elegí a 12v ya que parece ser la tensión más común del "ladrillo".
Esto le permite poner más LED en serie. Siempre se puede garantizar que todos los LEDs en una "cadena" dada (o una rama del circuito) lleva la misma corriente, que simplifica los asuntos. Cadenas menos significa menos resistencias. Esto reduce el conteo de piezas, etc., y todo el sistema es probable ser más eficientes, producen menos calor, no sobrecalentar las plantas y reducir su factura de electricidad.
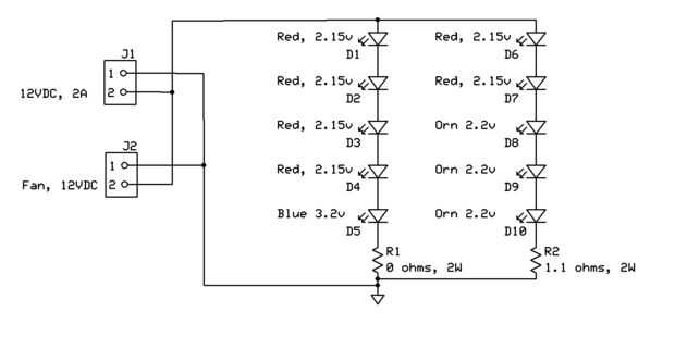
Iniciar el diseño de circuito agregando arbitrariamente los LEDs en una cadena. Sumar el voltaje de los LED en una cadena dada y ajustar el número de LEDs por cuerda para llegar lo más cerca posible de la energía de la tensión de alimentación sin excederlo. Para ello ayuda a mezclar y combinar colores del LED de la cadena, ya que cada color tiene un diverso voltaje.
La preocupación principal es que usted no exceda los LED actuales.
Ley de Ohm dice que el valor de la resistencia "R" en unidades de "ohmios" que se deben utilizar es dada por esta ecuación:
R = (Vs - V_LEDs) / I_LED
Donde Vs es la tensión de alimentación,
V_LEDs es la suma de los voltajes de LED en la cadena, y
I_LED es la corriente en amperios que los LEDs están clasificados para
Si V_LED es un poco menor que el Vs sólo tendrá una resistencia de valor muy bajo, como 1 ohm o menos, asumiendo que una cadena de 1 amp. No necesita más de un voltio o dos en la resistencia de la gota. Si está cayendo más 2,2 voltios, ¿por qué no simplemente añada otro LED en su lugar?
A calcular el valor de la resistencia adecuada para cada cuerda, y después de haber construido el circuito, puede medir la corriente a través de cada cuerda con un amperímetro para asegurarse de que la corriente no excede especificaciones de los LEDs, sobre todo cuando está funcionando a su temperatura más alta. También puede calcular la corriente por medir el voltaje en la resistencia y dividir por la resistencia. (otra vez, la ley de ohm).
La siguiente figura muestra un ejemplo simple de esquema. fuentes de alimentación de 12 voltios son muy comunes y debe ser capaces de encontrar un extra ahí que usted puede darles un nuevo propósito para esto, o usted puede adquirir uno de su distribuidor favorito excedentes, por ejemplo allelectronics.com. En este ejemplo deben tener una capacidad de 2 amperios o más, o sea la suma de la corriente en cada cadena.
Los valores de resistencia pueden necesitar ser ajustado para limitar la corriente en cada rama a 1 amp, particularmente dado el coeficiente de temperatura negativo de los LED, que puede ser tan alto como-4 mV/deg. C (ver el pdf de la "hoja de datos" para el dispositivo). También estoy investigando utilizando resistencias de cobre pcb-trace (o "resistores del wirewound"), principalmente porque el cobre tiene un coeficiente de temperatura positivo de resistencia (sobre + 0.4%/deg. C) que le ayudará a regular la corriente a través de los LEDs. Hasta ahora, el enfoque parece prometedor. También, en teoría este tipo de resistencia es gratis (o de $1), simple (susceptible de DIY), y alta potencia, que es ideal para nuestros objetivos de diseño. En teoría, si el LED y el resistor de cobre están conectados sólidamente para el disipador térmico del mismo y así son esencialmente el mismo "temperatura" (aunque no necesariamente la misma temperatura de ensambladura del"", pero se pasar que por el momento), entonces podemos calcular qué valor mínimo de resistencia que necesitamos para que el coeficiente de la temperatura global está por encima de cero, por lo que hay menos riesgo de "thermal-runaway" que pudiera causar daños o destruir uno o más LEDs. Por ejemplo, para un amplificador de 1 LED, queremos por lo menos 1 gota de voltios a través de la resistencia, por lo que por de Ohm la ley, la + 0.4%/deg. C resistencia produciría + 4 mV/deg. C, cancelando así los LED-4 mV/deg. C. también por ley de Ohm para obtener gota de 1 voltios a 1 amperio, se requiere una resistencia de 1 ohm. Esta parte se puede comprar por debajo de un dólar, o se puede hacer, por ejemplo con 2.5' de cable #36, o 4' o alambre de #34, etc.. (Tamaños de alambre Table_of)