Alimentador automático de pescado (1 / 7 paso)

Paso 1: Lo que necesitará

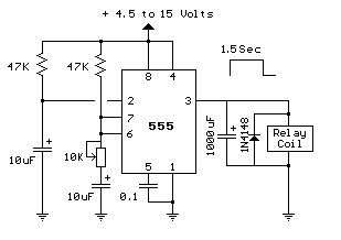
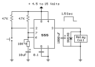
Piezas de Мechanical:

  • caja
  • pinza de freno
  • papel de lija
  • marcador permanente
  • Motor de la C.C.
  • rueda
  • tuerca
  • caucho
  • soldadura de hierro
  • Dremel
  • pistola de silicona caliente
  • disco de corte
  • primavera

Piezas eléctricas:

  • Temporizador 555
  • Relé de 5V
  • resistencias 2 x 47Kohm
  • 10Kohm potenciómetro
  • condensador electrolítico 10uF
  • condensador electrolítico 10uF botón micro OR
  • condensador electrolítico 1000uF
  • 0.1uF condensador de cerámica

Artículos Relacionados

Alimentador automático de pescado con luz

Alimentador automático de pescado con luz

Como un estudiante quería que algo florezca hasta mi habitación. Una pecera pequeña parecía perfecta. Pero como siempre estoy ausente para el fin de semana o periodos incluso más largos durante las vacaciones de verano, sería capaz de alimentar a los
3D sistema de embudo impreso para alimentador automático de pescado de mi pecera

3D sistema de embudo impreso para alimentador automático de pescado de mi pecera

f de voto por favor para más 3d proyectos impresos o ideasAsí que tengo esta pecera delgado bonita tiene un espacio limitado donde la comida puede ir sin tomar el pedazo largo de 6 pies de vidrio a... Mi alimentador automático simplemente rocía la co
Alimentador automático de pescado de papel FinFeeder

Alimentador automático de pescado de papel FinFeeder

Mi trabajo me pidieron que vaya fuera de la ciudad durante una semana en sólo unas horas de antelación. Tenía pescado en casa y estaba preocupado de que obtendrían hambriento y agresivo, así que improvisó un alimentador de peces de papel de impresora
Alimentador automático de pescado en 20 minutos

Alimentador automático de pescado en 20 minutos

este es un instructivo sobre cómo hacer un automático alimentador de los pescados (mis feeds versión los peces cada seis segundos para mostrar su trabajo, pero usted pueden modificar el código para que la alimentación después de unas horas o un día).
Alimentador automático de pescado DIY para acuaponia

Alimentador automático de pescado DIY para acuaponia

¿tienes un sistema aquaponic? ¿No puede estar las horas que tus peces tienen que comer? Alimentadores de grandes peces automático son bastante caros. Echa un vistazo cómo hice el mío con 25 euros.Paso 1: el concepto Aquí es un Introdúzca de cómo func
AquaFeeder 2.0: Alimentador automático de pescado (con WiFi)

AquaFeeder 2.0: Alimentador automático de pescado (con WiFi)

Cuidar de dos acuarios no es una tarea fácil, especialmente para alguien tan olvidadizos como yo. A veces, olvido alimentar a los pescaditos por varios días hasta que mi madre notara flotante esqueletos de pescado. Bueno, hoy en día eso no ocurre, de
Cómo construir un alimentador automático de pescado

Cómo construir un alimentador automático de pescado

Este instructable fue creado en cumplimiento de la exigencia de proyecto de la Makecourse de la Universidad de South Florida (www.makecourse.com).Materiales necesarios:Arduino Uno R3Cables hembra a hembraProtoboardIIC LCD 1602Cable de IICReceptor IRM
Peces alimentos alimentador automático utilizando Arduino Uno

Peces alimentos alimentador automático utilizando Arduino Uno

En este Instructables voy a mostrarle cómo construir un Alimentador automático de alimentación de peces. Para que no tenga que recordar alimentar a tus peces diariamente porque su Arduino lo hará por usted. También puede configurar contadores en la c
Alimentador automático de Cat CAT-Powered

Alimentador automático de Cat CAT-Powered

problema: Yoshi fue devorado a sí mismo en comida para gatos de su alimentador de gravedad-alimentado, ganando mucho peso incluso en pérdida de peso fórmula alimentaria y vómitos incluso de consumo excesivo (yeuagh).Solución: Un alimentador automátic
Alimentador automático Turtle

Alimentador automático Turtle

Este instructable fue creado en cumplimiento de la exigencia de proyecto de la Makecourse de la Universidad de South Florida (www.makecourse.com)Este es el alimentador automático de tortuga! Es la forma automatizada para dispensar comida de tortuga e
Alimentador automático de acuario

Alimentador automático de acuario

su un alimentador automático de peces / cabezal o Airpump controladorTodos los días tuve que apagar de mi acuario Powerhead cabezal del motor/bomba de aire y se alimentan manualmente y girar en el aire otra vez después de una hora. Así que encontré m
Alimentador automático de leche

Alimentador automático de leche

cuando nacen cachorros están envueltos en un saco transparente llamado la membrana amniótica. Esta membrana debe eliminarse de la cara del cachorro para que pueda respirar.Una vez que se borra se iniciará hacia su madre,Leche primer sobre:-el calostr
Alimentador automático cat con interfaz web

Alimentador automático cat con interfaz web

Se trata de un alimentador de gato automático basado en el taladro.  Varias libras de comida para gatos se almacenan en el depósito por encima de la barrena, y el alimentador está programado para dispensar automáticamente 1/4 de taza de alimento en l
Alimentador de depósito automático de pescado / / Alimentador automatico para pescera

Alimentador de depósito automático de pescado / / Alimentador automatico para pescera

introducciónSe trata de un diario programado, vibro-alimentador para mis tortugas, fácil y agradables.fue creo que para la alimentación de mis tortugas cuando no estoy en casa//Este es un alimetador vibratorio Programado, diario para mis tortugas, fá