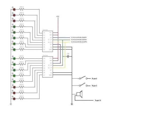
Airhockey LED (2 / 4 paso)

Paso 2: montar

Nada difícil, sólo tienes que seguir el esquema del circuito. Utilice 2 breadboards igual si no tienes suficiente espacio en 1.

Artículos Relacionados

TRON moto rueda LED

TRON moto rueda LED

INTRODUCCIÓNEsta guía pretende abordar la necesidad de una bicicleta visible, divertida y que se sienta seguro cuando conduce de noche.Para conveniencia del orden y la organización ha decidido realizar en un documento de Word, convertir a PDF y subir
PATÍN de tira de LED

PATÍN de tira de LED

este es un divertido y fácil proyecto que vale la pena el tiempo! Es solamente siete pasos, por lo que debe ser bastante rápido. Aunque la única pega es que se requieren varias herramientas de potencia extrema. ¡Buena suerte! :)Paso 1: Recogemos mate
RGB LED partido luz

RGB LED partido luz

Aquí es cómo usted puede utilizar un LED RGB como una luz de arco iris partido continuamente viajando a través del espectro visible. Lo que se necesita es:-LEDs RGB 1 o muchos-1 tablero de Arduino UNO; puede ser otras placas de la marca de Arduino-un
2 LED luz Multi Hack.

2 LED luz Multi Hack.

tiendas de 100 yenes son un tipo de tienda de descuento que venden una amplia gama de productos.Esto corresponde aproximadamente a un dólar estadounidense.Buscar el material de la obra aquí.Ya hackeado 2 LED luz multi que se encontró en la tienda de
Transformar su TV LCD/LED TV holograma

Transformar su TV LCD/LED TV holograma

Les presento tres simples pasos para transformar tu televisor LCD/LED TV holograma...Muy fácil y muy simple.Paso 1: Cortar y pegar... Corte cuatro hojas A4 transparentes en formas trapezoidales y unirlos para formar una pirámide.Paso 2: Al revés... C
Reloj de pared LED

Reloj de pared LED

Esto es simplemente una manera simple de decorar de nuevo tu reloj de pared con materiales básicos alrededor de la casa.Paso 1: Materiales necesarios Antiguo reloj de paredLuces LED - sombrero de paja blanco LedBatería de 9V + ClipBonos de Alteco col
LED Glow Cloud

LED Glow Cloud

Bueno, esto es súper fácil y proyecto muy barato de hacer y también se ve increíble en su habitación.Para ello todo lo que necesitas es algunas luces del LED o luces, algodón, botellas de plástico claro y pistola de pegamento caliente.[VER VIDEO]Paso
DIY Laser-Cut LED Pennyboard

DIY Laser-Cut LED Pennyboard

En este instructable, usted a aprender cómo hacer tu propio DIY corte Laser LED Pennyboard (mostrado arriba).Estos son los materiales necesarios con enlaces y precios:Madera de pino (por lo menos. 75 "x 10" x 25 ")-≈ $30 http://www.homedepo
Creación de un patín de LED

Creación de un patín de LED

en este Instructable, se se le enseña a crear una tabla de skate que se enciende con madera contrachapada, luces LED y otros materiales.Paso 1: Comprar madera de 7 capasCompramos madera de la capa 7 de The home depot. La madera que comenzó con era 2
Arduino Nano LED pantalla

Arduino Nano LED pantalla

Este es mi primer instructable sobre cómo pantalla de interfaz limpio un LED de 7 segmentos de 4 dígitos de 0,56" a un Arduino Nano. displays de 7 segmentos LED son ideales para la visualización de información en un Arduino debido a su bajo costo (~$
Taza fiesta discoteca LED!

Taza fiesta discoteca LED!

Bienvenida a mi inescrutable para el uso de 'Discoteca LED fiesta Cup!' en las fiestas o para añadir emoción a una noche tranquila en! Los clips de 'puck' inferior en la parte inferior de un plástico partido Copa y luces hasta el ritmo!Paso 1: Lista
Comprobador de LED fácil

Comprobador de LED fácil

Hola amigos este es syed y este es mi primer instructables he abierto mi web de instructables.com es el 19 de marzo 2013 desde entonces soy el arrepentido de la web hoy pensé empezar contribuyendo a instructables :)Estoy escribiendo este instructable
Hacer tu propio cartel de LED VU Meter

Hacer tu propio cartel de LED VU Meter

En este proyecto que le mostrará cómo crear un personalizado Regístrate LED que reacciona a la intensidad de su música, al igual que un VU meter hace. Vamos a empezar!Paso 1: Vea el video!El video le da toda la información que necesita construir este
Solar cargo funcionamiento LED con luz de freno intermitente para bicicletas

Solar cargo funcionamiento LED con luz de freno intermitente para bicicletas

por lo que después de investigar las leyes para hacer mi bicicleta motorizada legal en California y el envío de la placa de la licencia, he decidido trabajar en la luz del freno mientras espero la placa.Después de un par de días de mirar diseños de o