Aerodeslizador Vg100 curso en UM JI (4 / 5 paso)

Paso 4: Montaje del Paso4

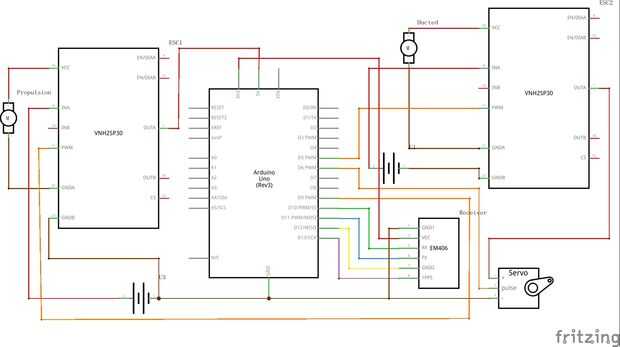
Después de estos preparados, podemos empezar a armar nuestro aerodeslizador. Primero conectamos la placa A y el B de la placa con el ventilador canalizado pegado entre conectando las columnas de nylon en los agujeros de la placa y fijar con tuercas de nylon, y conectamos la placa de la C a la placa B usando métodos similares. Luego fijamos el motor de propulsión en el soporte del motor y el soporte del motor en el servo con tornillos y pegamento. Tenemos que fijar el servo con el motor y el soporte en el palillo de madera con un tornillo y atarlos con cinta aislante fuertemente. A continuación, enchufe el palillo de madera en el orificio de la placa B y pegamento en la placa C. Después de eso, nos rodean la falda en la placa B y péguelo para asegurarse de que el ancho de la falda debajo de la placa B es igual en todas partes. El siguiente paso es colocar los componentes en la placa de B. Conecte los cables según el diagrama del circuito y fijar los cables con cinta aislante a la placa Arduino. Nuevamente Utilice cinta aislante para fijar las baterías, el receptor de la señal y los cables en la placa B y utilizar tornillos para fijar la placa Arduino a la placa.

Artículos Relacionados

Aerodeslizador Vedfolnir!

Aerodeslizador Vedfolnir!

Propósito:Verano 2014 Introducción a la ingeniería de competiciónIntroducciónSomos...Con el completo apoyo de la Universidad de Michigan y Shanghai Jiao Tong university, Instituto, ubicado en Shanghai, China, fomenta el pensamiento creativo. Aquí con
Aerodeslizador de carreras

Aerodeslizador de carreras

Somos COSMOS, proveniente del Instituto conjunto de UM-Shanghai Jiao Tong University. Se hace esta página instructable para nuestro diseño Vg100, un aerodeslizador de carreras controlado por Arduino. Universidad de Shanghái Jiao Tong (SJTU) es una de
Aerodeslizador con Arduino diseño

Aerodeslizador con Arduino diseño

IntroducciónSomos Grupo Antinomi. Este aerodeslizador es construido para la verano 2014 Introducción a la ingeniería de la competencia. VG 100, introducción a la ingeniería, es un plato para el primer año en el Instituto conjunta (JI), Universidad de
Aerodeslizador con mando a distancia. por AnTiProcrastination

Aerodeslizador con mando a distancia. por AnTiProcrastination

¡ Hola! Somos AnTiProcrastination, un grupo de estudiantes de La Universidad de Michigan--Shanghai Jiao Tong University Instituto conjunto (ver Logo en la figura 1) nuestro campus, (Figura 2; citado de www.ngeschool.org) situado en el distrito de caí
Aerodeslizador---atopía

Aerodeslizador---atopía

Propósito: Verano 2014 Introducción a la ingeniería de competiciónIntroducciónInstitutoInstituto fue fundado por Shanghai Jiao Tong University y Universidad de Michigan en 2006. Se encuentra en el sudoeste de Shangai, China. Instituto pretende cultiv
Aerodeslizador de verano 2014 competencia Shane Group19

Aerodeslizador de verano 2014 competencia Shane Group19

(1) Introducción de la UniversidadShanghaiJiaoTong University(SJTU) es la mejor universidad en China. La ingeniería es uno de los mejores conocimientos en SJTU. El Instituto es un Instituto famoso SJTU, también el Instituto ha recibido muchos honores
Curso de tiro con arco casero

Curso de tiro con arco casero

En este Instructable, usted aprenderá cómo crear un curso de tiro con arco casero! Se necesita:Balas de henoTiro con arco bloques blancos de tiro con arco de papel oUna pieza plana de la tierra alrededor de 50 pies por 200 piesEquipo de tiro con arco
Curso de obstáculo PEX

Curso de obstáculo PEX

En los últimos años he ayudado a renovar un viejo mueble almacenan en nuestro pequeño pueblo y convierten en un apartamento complejo. Un montón de líneas de agua debían ser funcionó a través de este edificio que alberga 12 apartamentos. Como resultad
Aerodeslizador de Hoverboard real

Aerodeslizador de Hoverboard real

¿Cansado de los aerodeslizadores modelo control remoto cómo-a de? ¿Quieres que tú y tus amigos realmente pueden deslizarse por el suelo en estilo sin gastar una fortuna en un juego? Bien aquí tienes!Este es nuestro hogar hecho, pleno funcionamiento,
Batería Powered aerodeslizador

Batería Powered aerodeslizador

necesita una nave hover.No necesita ser atado por una cuerda.Usted definitivamente no quiere gas powered.Vamos a construir un aerodeslizador con alimentación a batería de litiohttps://www.youtube.com/watch?v=pAG4DUDPHE8&feature=youtu.behttps://www.yo
Aerodeslizador bricolaje

Aerodeslizador bricolaje

Manual de instrucciones: Hacer un aerodeslizador bricolaje (movimiento perpetuo)Miembros del Grupo:Wang Zexu Xu Ziling, Liu Bisheng, Zhu Hua, Geng YajiePaso 1: Paso 1: materiales y herramientas Materiales del marco y faldaJunta de Depron ●Espuma plás
BB8 droide - hacer curso con control remoto impreso 3D

BB8 droide - hacer curso con control remoto impreso 3D

Este instructable fue creado en cumplimiento de la exigencia de proyecto de la Makecourse de la Universidad de South Florida (www.makecourse.com)Hola chicos,Este es mi proyecto final para el curso que en USF. Hemos sido capaces de construir cualquier
Un curso de hacer las cosas

Un curso de hacer las cosas

Esto es material para un curso en materia de construcción. Los archivos están aquí para mis alumnos. Estas presentaciones sólo será de utilidad para personas de habla holandesa que me temo.Vaya Instructables! :-)Paso 1: VoorwaardenTijdens dit keuzeva
La ciencia y la realización de un aerodeslizador

La ciencia y la realización de un aerodeslizador

este Instructable le mostrará cómo construir su propio aerodeslizador para menos de $50. también se le mostrará exactamente cómo funciona el arte de la libración.Paso 1: materalspara este proyecto necesitarás:1 hoja entera de madera (puede ser compra