Paso 6: Características futuras


Recordé a añadir en el sensor de huella digital esta vez!!!!
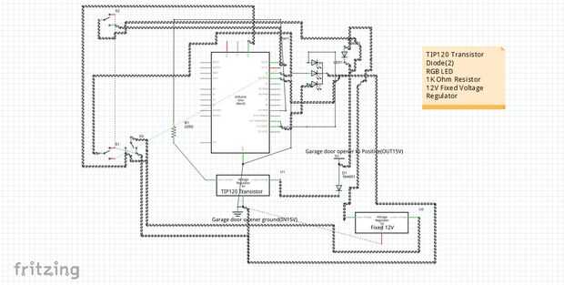
Cómo funciona el proyecto.
1. los cables del botón de garaje montada en la pared deben ser de 15V, si no me mensaje y mal ayudarte (puede necesitar cambiar el cableado y el programa un poco). estos cables deben permanecer en las terminales de la puerta del garaje.
2. los diodos de mantienen el alto voltaje dañen la placa arduino
3. cuando el escáner de huella digital detecta un partido pone el LED rojo verde y se aplica a 5V para el diente del medio del transistor que cambia y se aplica 15v al terminal positivo de la puerta del garaje (puentes las conexiones) para un segundo y luego el transistor "se vuelve"
EXTRA
ENERGÍA:
en lugar de usar el usb o el conector externo permite usar lo que ya tenemos.
1. los cables positivos y negativos para el abrepuertas de garaje son empalmados y conectados a un regulador de voltaje de 12V. (negativo también se va a GND en placa de arduino... creo, revise el voltaje de 15V GND del abrelatas de la puerta del garage y 12V + regulador de y asegúrese de que su 12V 15V no)
2. el regulador aplica 12V al puerto de Vin de la arduino a la Junta de energía
INTERRUPTORES
los interruptores se utilizan para cambiar entre usb y alimentación a bordo para la programación
y puesto que es necesario utilizar los pines 0 y 1 para inscribir nuevas huellas he añadido dos costumbres cambia para cambiar de pin 2 al pin 1 y del interruptor desde el pin 3 al pin 0.
¡ ADVERTENCIA!
APAGUE EL "ONBOARD" ANTES DE CONECTAR EL USB
ALARMA DE SEGURIDAD
para alguien alquilar una casa como yo no puede ocultar los cables que va desde el arduino a la puerta del garaje, lo que significa que nadie puede cortar los cables y tocar juntos para abrir y cerrar el garaje.
en este caso se necesitaría una alarma.
mi idea es para conectar un zumbador pulsación piezoeléctrico de 90db a arduino con un regulador de voltaje de 5v en serie con las salidas de transistor.
el arduino medición del regulador de 5v y cada vez que va debajo de 5v (alguien corta los cables a la puerta del garage) sonará la alarma.