Paso 12: Enlace de RF opcional



Después de la terminación del proyecto, pronto entendí que tengo que tirar un montón de cableado de CA 220V al temporizador. Desarrollo de un enlace de RF módulos 315MHz estándar que permitía el temporizador para colocarse dentro de un armario y de las juntas de relé dentro de la azotea, cerca de todos los cables de 220V.
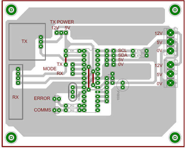
Las aplicaciones de enlace un AtMega328P corriendo a 16MHz. El software para el transmisor y el receptor es el mismo, y el modo es seleccionado por un jumper mini.
Transmisor
El transmisor se conecta simplemente en el puerto CPU I2C. Ninguna configuración adicional es necesaria, ya que el AtMega328P escucha los mismos datos que los tableros de relés de I2C.
Datos se actualizan una vez por segundo en el puerto I2C, y el transmisor envía esta información sobre el enlace de RF. El transmisor no debe recibir datos I2C por unos 30 segundos, el transmisor transmitirá continuamente datos para apagar todos los relés de la unidad receptora.
Alimentación para el módulo transmisor puede seleccionarse entre 12V y 5V con un mini jumper en la placa de la PC. Estoy alimentando mi transmisor con 12V.
Receptor
El receptor escucha los datos codificados del transmisor y coloca los datos en un puerto I2C. La placa de relé simplemente se conecta a este puerto y funciona igual que él fue conectado en la placa CPU.
El receptor no debe recibir datos válidos por 30 segundos, la voluntad del receptor continuamente envían datos en el puerto I2C para apagar todos los relés en los tableros de relés.
Esquemas de
Un día, si hay una demanda para él. El sketch de Arduino contienen toda la información necesaria para construir el circuito sin un diagrama del circuito.
Rango
En mi instalación, el transmisor y el receptor es aproximadamente de 10 metros de distancia. El temporizador está dentro de un armario y la unidad en la parte superior del techo.













