













Théorie:
Tout d ' abord, ce projet est basé sur le Español d ' un microcontrôleur de la compagnie tipo de Microchip PIC. CE dernier est programmé à l'aide du logiciel MPLab permet d'élaborer des códigos en lengua «Assembleur» seront baño compilés dans le PIC16F872 utilisé.
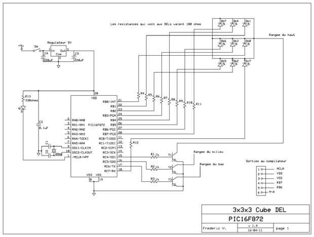
Pour bien comprendre le Español du cubo référez vous au schéma électronique de la página 4.
Alors, le cube de DELs est construit de façon à ce les trois rangées horizontales, représentent les neuf cátodos de leur DELs respectivas, soient branchées à chacune un transistor sont à leur tour pijo aux broches RC4, RC5 y RC6 du PIC. CES rangées représentent le chemin le courant empruntera jusqu'à la mise à la terre lors de activation des DELs. Con baño privado, y il un neuf colonnes de trois DELs sont branchées par l'entremise de résistances aux broches du port B et une à la broche RC7.
DELs del des de la simplifié del ONU schéma Voici:
Colonnes:
Rangées:
Pour le PIC allume, par exemple la DEL du coin gauche de la rangée du haut, nous devons définir les broches RB7 et de logique de RC6 à un état 1 (+ 5V). Ainsi, le courant circulera dans la colonne RB7, mais fera seulement corriente la DEL du haut, coche seulement sa rangée respectivo a été mise à la terre par le biais du transistor pijo à la broche RC6. Vierta el curriculum vitae, une DEL s'allumera seulement si les broches contrôlent sa colonne et sa rangée sont définies à + 5V.
Il maintenant d'allumer posible une série de DELs de façon à créer des séquences très charmantes. Le PIC possède aussi une fonction pour contrôler le délai entre chaque scintillement DEL, selon le código et l'oscillateur utilisés sa valeur changera.
Il est aussi adéquat de voir une partie du programa compilé pour comprendre le lengua «Assembleur» contrôle le microcontrôleur.
Tout d'abord, la première ligne nommée «Tourbillonvertical:» définit le nom de la séquence.
Après, nous devons faire comprendre au PIC nous voulons signo une broche cámara. Pour ce faire, il faut d ' abord lui dire dans lequel des puertos elle est située, «Banksel PORTC» définit celui-ci.
Con baño privado, il est posible de mettre une certaine broche del puerto C à un état logique de 1. Le código «bsf PORTC, 4» (Bit Set File RC4) signifie le PIC définira la broche RC4 à + 5V. Après cette acción, la rangée du bas du cubo est mise à la terre par le transistor.
Puis, après avoir sélectionné le puerto B de la même manière qu 'à l' étape précédente, il est posible de faire corriente la première DEL du bas de la colonne RB3 avec le código «bsf PORTB, 3».
Un código «llamada retraso» est aussi utilisé pour renvoyer le programa à une séquence gère le délai, de est de dans le cas présent 250 ms.
Après avoir définit les broches RC5 y RC6 à un 1 logique, les trois DELs de la colonne du centro s'allumeront.
De plus, les lignes commençant par «bcf» (Bit archivo claro), signifient le PIC doit redéfinir les broches concernées à ONU 0 logique.
Il est donc maintenant posible de suivre le código ligne par ligne pour reconstituer la séquence «Tourbillonvertical:». Chaque séquence ont été créée et compilée dans le PIC sont fait de cette façon.
Pour une séquence générale nommée «principal» appelle, avec la fonction «llamada», facilité la compréhension générale du programa, chacune des los différentes séquences les une après les autres et reiniciar le tout jusqu'à la fermeture du cubo.
Schéma électronique:
(Schéma créé à l'aide de ExpressSCH)
Discusión:
La théorie expliquant bien le rôle du PIC dans le projet, il d'ajouter posible le cubo est alimenté à l'aide d ' une batterie 9 voltios est privado régulée à + 5 voltios, qu'il possède un puerto à cinq broches permet de compilador de nouveaux códigos dans le PIC fácilmente et ce sans ouvrir le du boitier cubo et original DEL externe permet de savoir si le compilateur est interagit adéquatement avec le PIC.
Difficulté la plus grosse encourue dès le début du projet était le fait je ne connaissais rien aux microcontrôleurs et au lengua «Assembleur». L'apprentissage j ' Allais et aussi les DELs allaient scintiller me motivaient à apprendre de nuevos conceptos. C ' est à l'aide de tutoriels et de foros trouvés sur internet j ' ai pu construire mon projet. Bien qu 'énorme au premier golpe d' œil, je savais qu'en accomplissant ce projet j ' Allais en ressortir avec beaucoup d'expériences et de connaissances nouvelles qui me seraient très utiles lors de ma troisième année d'étude. De plus, il y a aussi UE le problème de souder un microcontrôleur, broches de 28, recyclé, une trentaine de résistances, 27 DELs et autres pleins composantes recyclé del aussi sur un circuito impreso devaient entrer à l'intérieur d ' un boitier de aflojar.
CONCLUSIÓN:
Vierta el curriculum vitae, ce cubo transformadoras et à la fois charmant utilizar lengua le «Assembleur» pour faire clignoter des DELs à l'aide d ' un PIC16F872. Bien qu'inutile, il m énormément appris sur tout ce est microcontrôleur et lengua de programación. De técnicas de la cortocircuitos de Il m aussi permis perfectionner montaje y de carestía en «montaje superficial».
Anexo at, quelques imágenes cubo de du de la concepción.