Paso 4:12 pulso rectificador


Aunque mejor que rectificadores monofásicos o trifásicos de media onda
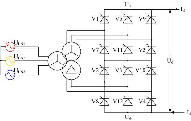
Rectificadores, circuitos de rectificador de seis pulsos todavía producen distorsión armónica considerable en las conexiones de la CA y CC. De muy alta potencia rectificadores generalmente se utiliza la conexión de puente de doce pulsos. Un puente de doce pulsos consta de dos circuitos de puente de seis pulsos conectados en serie, con sus conexiones de CA alimentados desde un transformador de la fuente que produce un desfase de 30° entre los dos puentes. Esto anula muchos de los armónicos característicos que producen los puentes de seis pulsos.
El desplazamiento de fase de 30 grados se logra mediante el uso de un transformador con dos grupos de devanados secundarios, uno en conexión estrella (wye) y otro en la conexión de delta.