

Rectificación es básicamente el proceso en que convertimos la señal AC en señal de DC. Una señal de AC tiene dos ciclos un ciclo negativo y un positivo. Pero un DC solo tiene un ciclo positivo. Pero la mayoría de ustedes ya sabe lo que me refiero y muchos de ustedes saben mucho más que esto. Puede encontrar detalles de rectificación en la Wikipedia.
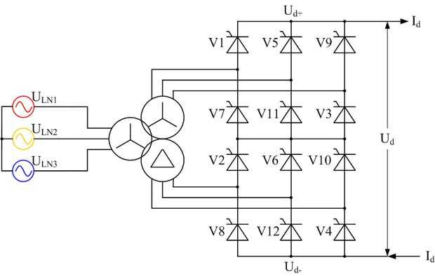
Estamos aquí para hablar de tres rectificadores de fase. Bien estos no se utilizan en proyectos de electrónica básica como se ve sobre todo a nivel industrial. Cuando hay necesidad de rectificar tres fase la CA, usamos un rectificador trifásico.
Básicamente un rectificador elimina el ciclo negativo de la AC, por lo que en principio podemos conseguir un resultado mucho mejor si hacemos rectificación otra vez. Hay dos tipos básicos de rectificadores de fase tres, 6 rectificadores de pulsos y 12 rectificadores de pulso. Ambos se muestran aquí abajo.