Paso 4: Con 74C922 para reducir los requerimientos de la entrada-salida










El codificador de llave 16 922 de 74 C
De la hoja de datos, el MM74C922 puede utilizar un reloj externo para el análisis sincrónico teclado, tiene internos pull-UPS y tiene un circuito debounce interna! La velocidad de lectura y debounce es configurable a través de un reloj externo o condensador. También mantiene la última tecla presionada en las salidas después de se ha deprimido, en el caso de la MCU tiene un momento y necesita recuperar el valor de nuevo (al menos antes de la siguiente pulsación de tecla). También opera desde 3V a 15V por lo que se integra bien en diseños TTL y CMOS.
Las filas del teclado se conectan a través de sus resistencias de pull-up interna cuando ninguna tecla ha sido presionada. Cuando se pulsa una tecla el chip va a través del debounce mecanismo y cuando que el tiempo de espera, los datos codificados se bloquea el pin DA (datos disponibles) va alta. El DA pin permanece alto (1 lógico) hasta que se suelta la tecla, entonces reduce a un 0 lógico. También hay un pin OE (salida activada) que es el inverso del perno DA.
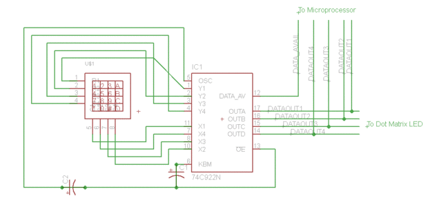
El pinout de la 74C922N se muestra en un esquema que he incluido a continuación que muestra sólo este IC. También he incluido un esquema de águila, aunque el dispositivo de teclado filas y columnas hacen el circuito difícil de interpretar, por lo que también incluyo mi mano escrito el esquema que hice cuando empecé a jugar con el teclado y el 74C922. Ojala uno de esos se resuelve cualquier problema de conectividad, si usted tiene alguno.
Construir el circuito
Poner en el 74C922 en su protoboard, en algún lugar cerca pero donde no estamos encogidos. Si no estás familiarizado con IC, tome un momento para preguntarse en su nuevo chip brillante y notar que las piernas están ubicadas a cuando salen de la fábrica. Puede ayudar a entrar en la placa si se colocan de costado con sus piernas sobre la mesa y con un suave movimiento del balanceo un poco doblarlas hacia adentro. Al poner la nota de IC que hay una raya o hierba a un lado. Indica donde está el pin uno.
Conecte el 0.1uF condensadores a los pines 6 y 7 y llevarlos a tierra. Consulte a continuación. Si estás usando condensadores recuerden que están polarizados de tantalio tan puesto el lado positivo (generalmente la pata más larga) más cercano al pin y la pata corta en el terminal de tierra.
N.B.
Que tenga que jugar con los condensadores de la configuración. He encontrado 1uF en el oscilador y 10uF a 15uF (tuve 3 en paralelo) me da la mejor exploración sensible con el debounce menos. Averiguar por su configuración puede ser muy divertido.
A continuación conecte los componentes de potencia. En este momento no tengo mi tablero de potencia. Es sólo más fácil de hacer estos ya que después es conectar todas las entradas y salidas. Conectar Vcc (pin derecha superior) a 5V, el pin izquierdo inferior al suelo, así como el pin OE a tierra. No vamos a ser cuidados sobre él esta vez. Consulte a continuación.
Ahora Conecte sus salidas de datos para el AVR. En la imagen siguiente he conectado los datos hacia fuera (DO) A PD2, DOB para PD3, DOC a PD4 y DOD de PD5. Ahora sería un buen momento para conectar la clavija de datos disponibles (la una derecha a continuación de la OE funcionó a tierra a la derecha) en el microcontrolador. Elegí PD6. Bonito bloque contiguo de i/os. Si nosotros podríamos pensar que son los mismos dos números no consecutivamente podríamos dejar fuera de los datos disponibles y a sondear los datos hacia fuera los pernos. Reduciría nuestras necesaria previamente ocho líneas de E/S a solamente cuatro! Para completar, estoy incluyendo porque eso es el pin que te de servicio con una interrupción de cambio de pin. Es mejor que la votación y deja su computadora hacer otras cosas en lugar de esperar en lazos el estado del pin de la interrogación.
Finalmente, conecte los cables de entrada. La parte superior izquierda cuatro pernos ir a filas uno, dos, tres y cuatro. Los dos pernos entre el condensador y el suelo en la parte inferior izquierda conectan columna cuatro y tres. En el otro lado, la lectura de la parte inferior derecha, las clavijas para conectan columna dos y uno. Mente el orden! Conecte el teclado si había hecha un cable para ella y fuego su microcontrolador!