Paso 12: Código y circuito



A este paso son archivos correspondientes a la porción de RX de este proyecto. DEBE utilizar un ATTiny85 porque es el chip más pequeño que los temporizadores para apoyar la biblioteca VirtualWire.
Pasos principales:
- Quemar los fusibles de la derecha en el chip. Usted va a correr a 8 MHz
- Mover VirtualWire a la carpeta de las bibliotecas de Arduino
- Cargar el código
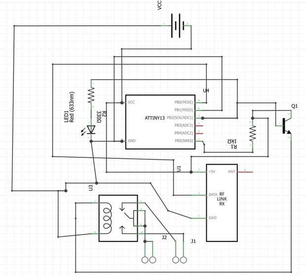
- Examinar el esquema de protoboard para que sepa lo que usted está manejando.
Si usted necesita más información sobre programación ATTinies con Arduino, esta echa un vistazo.
DETALLES SOBRE EL CÓDIGO
Si miras hacia atrás con el paso 8, explicó por qué no funciona un código simple.
Había mucho ruido, no funciona el ATTiny45, etcétera.
Otro que esos problemas, la velocidad de reloj debe ser idéntica a la del transmisor (8MHz).
También, cuando VirtualWire se utiliza en un ATTiny85, los temporizadores están tan ocupados que funciona como millis(); o delay(); no puede ser llamado, o el chip se bloqueará (me pasó)
Para contrarrestar eso, tuve que usar otra libreria para retrasos.
Básicamente lo que hace este código es comprobar si la longitud correcta de la letra y el mensaje es recibida, luego se activa un pin condicional. El receptor no se activará por ruido callejero ahora.
MÁS INFORMACIÓN SOBRE CIRCUITO
Este circuito también es bastante simple.
- REAJUSTE [1] está conectado a una resistencia de 1 k, conectada a Vcc
- A3 y A2 [2 y 3] no está conectado a nada
- GND se conecta a GND
- 0 [5] está conectado a datos en el módulo de RF
- El módulo de RF se conecta a Vcc y GND apropiadamente.
- Pin de NC está bien, no conectado
- Pin de la antena está conectado a un 6,8' pedazo largo de alambre
- Sólo uno de los pines Vcc o GND debe ser conectada. Otros pueden dejar solo
- 1 [6] no está conectado a nada. A tierra para la práctica del buen circuito que cuando se trata de circuitos controlados de radio
- 2 [7] está conectado a
- resistencia de 330 ohm a un LED a tierra
- perno BASE 2n2222
- El 2n2222 colector está conectado a Vcc
Si usted quiere, usted podría tener el 2n2222 el relé en lugar de proporcionar energía de la tierra. En este caso no tiene mucha diferencia - El 2n2222 emisor está conectado a un extremo de la bobina del relé
- El otro extremo de la bobina del relé está conectado a tierra
- Los pines del interruptor de relé están conectados a un terminal de tornillo
- El 2n2222 colector está conectado a Vcc
- VCC se conecta a Vcc
- resistencia de 330 ohmios se conecta a Vcc y LED verde
Lo que debe suceder cuando cambio en el circuito es
El LED verde debe encender inmediatamente.
El resto del circuito no hace nada. Cuando el lado TX transmite una "a", el mensaje será recibido, y el relé y el LED rojo se encenderá durante unos 4 segundos. Después de eso, si no transmite el TX, el relé y el LED rojo apagarán. Nada debe suceder si el TX no se transmite.